EasyManua.ls Logo

Duratech Sun Spring - Piping Diagram and Definition Sun Spring

Duratech Sun Spring
24 pages
Print Icon
To Next Page IconTo Next Page
To Next Page IconTo Next Page
To Previous Page IconTo Previous Page
To Previous Page IconTo Previous Page
Loading...
19
ENG
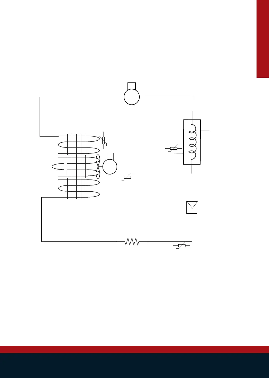
7.2 Piping diagram and denition Sun Spring
Condenso
r
Strainer
Capillary
Evapor ator
Compressor:
Win
Tamb
Tliq
Tevap