EasyManua.ls Logo

DuroStar DS10000E - Wiring and Parts List; Generator Wiring Diagram

DuroStar DS10000E
28 pages
Print Icon
To Next Page IconTo Next Page
To Next Page IconTo Next Page
To Previous Page IconTo Previous Page
To Previous Page IconTo Previous Page
Loading...
9
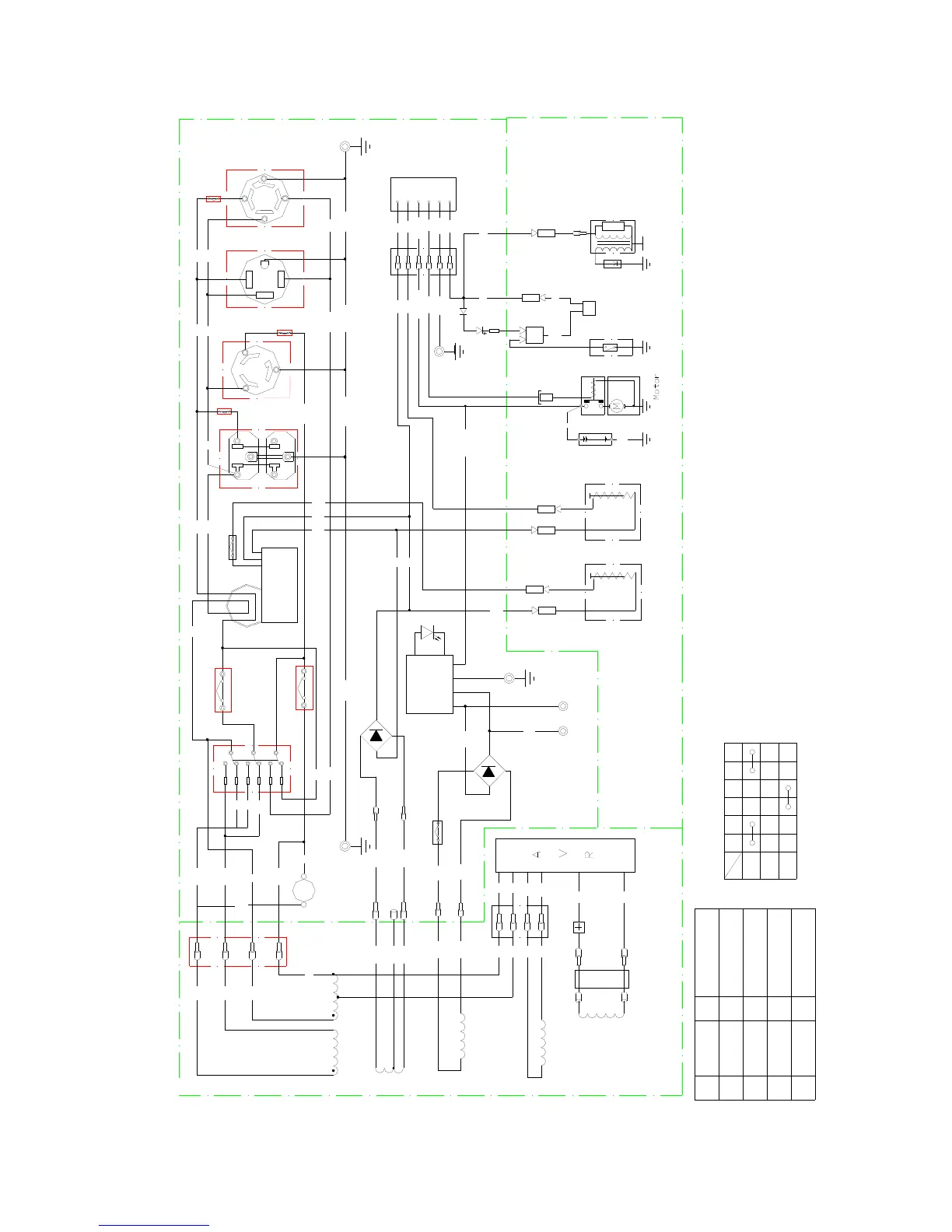
WIRING DIAGRAM
6RFNHW
6RFNHW
$
5
:
%O
2))
*
67
(%$7
)6
21
6WDUW
,*
:,5,1*',$*5$02)99*(1(5$7256(7
,JQLWLRQVZLWFKFRQQHFWLQJ
:
/%
/LJKWEOXH
:KLWH
<
*
<HOORZ*UHHQ
%OXH
*UD\
5HG
*U
5
%X
%ODFN
%O
%U5
%URZQ5HG
2
2UDQJH
%URZQ
%U
$
:
5
%X
%X
%U
:
%O
%X
%X
5
:
([FLWDWLRQFRLO
*HQHUDWRUEORFN
0DJQHWLFILHOG
FRLO
5
:
0DLQFRLO
%O
'&FRLO
'FFRLO
%O
%U
%U
%U
/%
/%
9
$
5
5
:
*U
*U
:
5
/%
5
6RFNHW
5
*U
<*
%O
5
&XUUHQW
VHQVRU
$XWSWKURWWOH
:
2
<*
%O
*U
/%
5
5
2
(QJLQHEORFN
&XUUHQWVHQVRU
9DOYH
::
5
:
5
<*
%O
<*
%O
,JQLWLRQVZLWFK
$
%O:
%O:
:
IXHOVROHQRLG
9DOYH
IXHO
SURWHFWRU
6SDUN
SOXJ
,JQLWLRQFRLO
%O
2LODOHUWXQLW
6WDUWUHOD\
%X
5
%DWWHU\
,*
%O
%O:
%U5
5.¡
',1
/('
%U5
2
*
%$7
)6
(
67
%X
<*
5
5HFKDUJH
%ORFN
5
:
5
2
%U5
%X
<*
%O%O
&,5&8,7
%5($.(5
$
&,5&8,7
%5($.(5 $
/('
6RFNHW

Related product manuals