EasyManua.ls Logo

DuroStar DS13000X - Wiring Diagram

DuroStar DS13000X
72 pages
Print Icon
To Next Page IconTo Next Page
To Next Page IconTo Next Page
To Previous Page IconTo Previous Page
To Previous Page IconTo Previous Page
Loading...
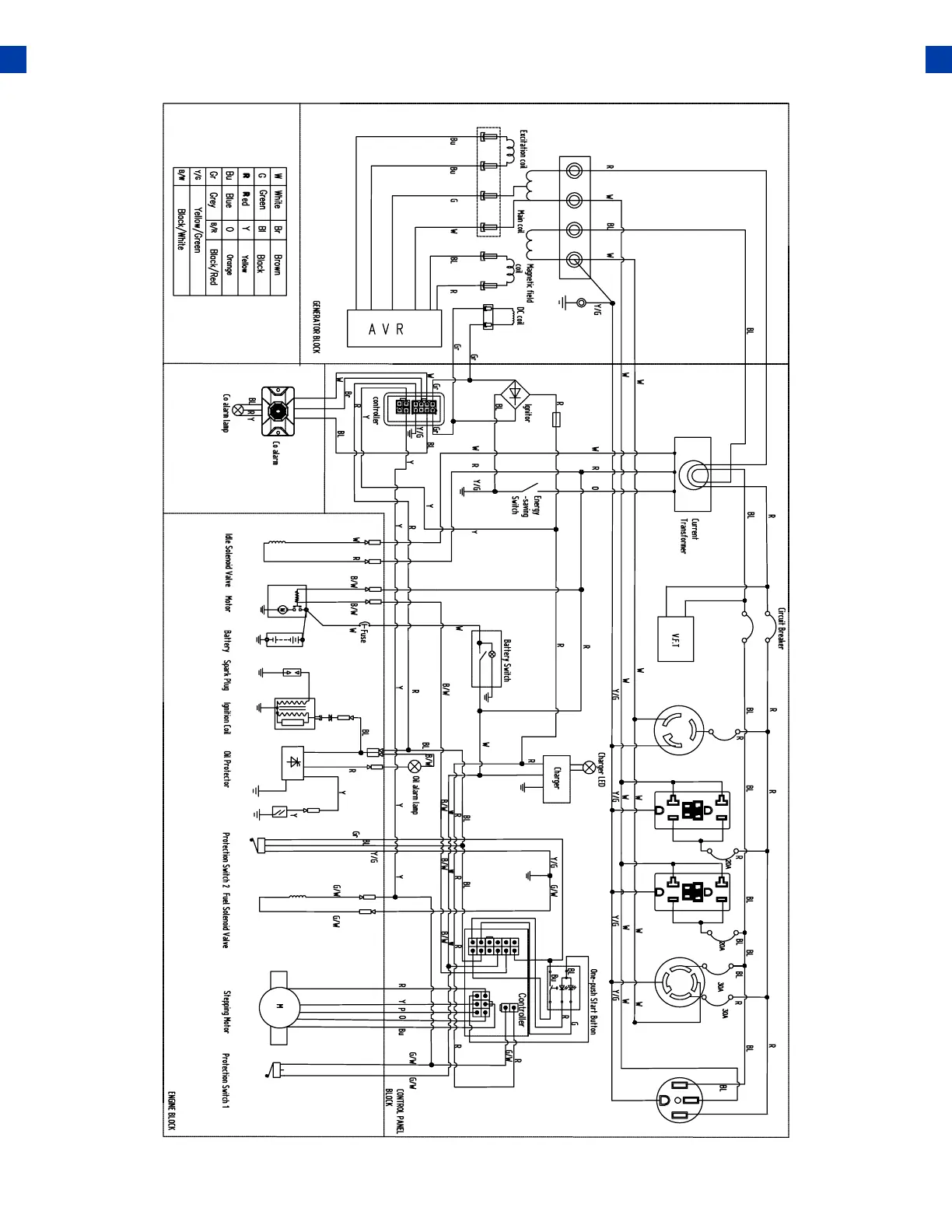
WIRING DIAGRAM
64

Other manuals for DuroStar DS13000X

Related product manuals