EasyManua.ls Logo

DuroStar DS4400 - Page 32

DuroStar DS4400
35 pages
Print Icon
To Next Page IconTo Next Page
To Next Page IconTo Next Page
To Previous Page IconTo Previous Page
To Previous Page IconTo Previous Page
Loading...
29
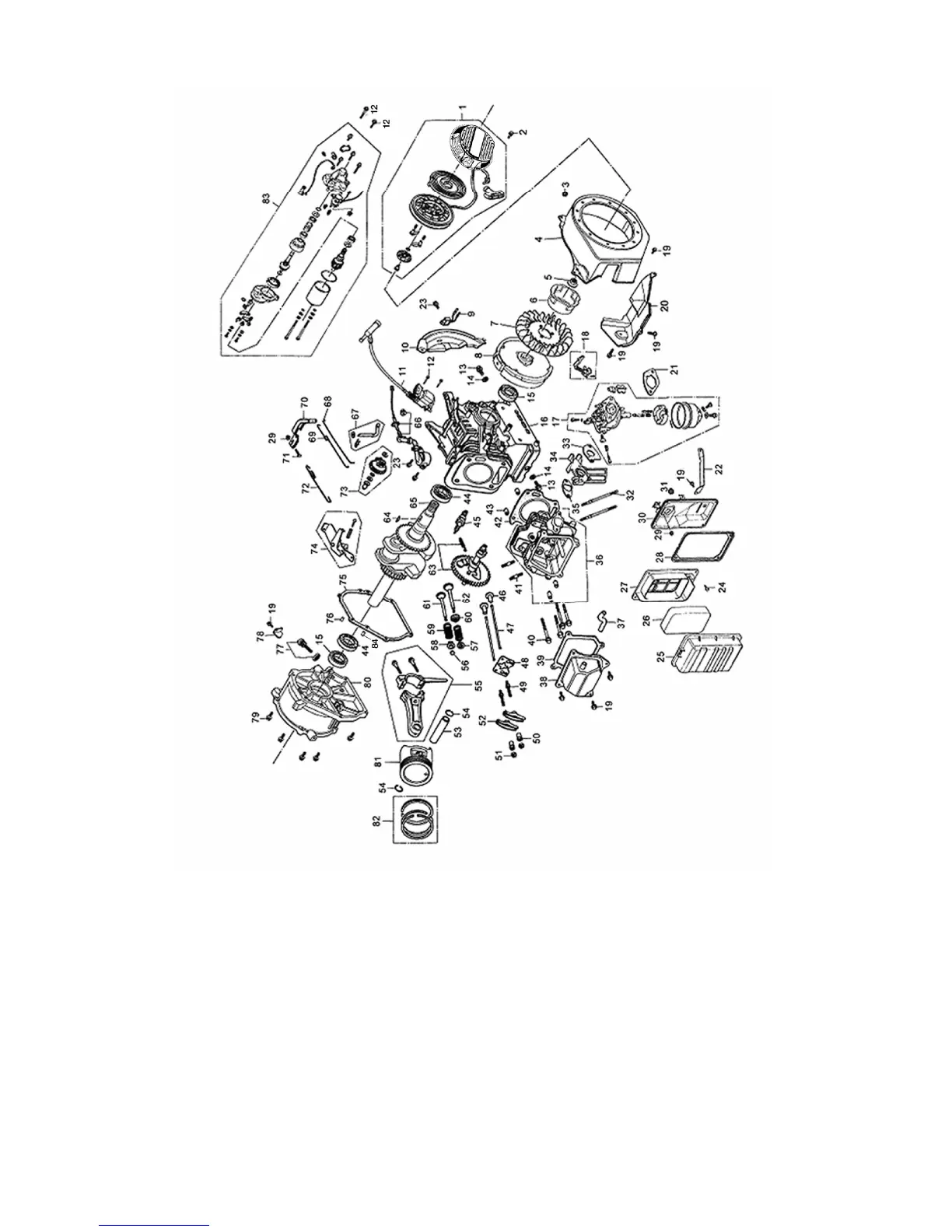
EXPLODED VIEW AND PARTS LIST (DS4400E)

Related product manuals