EasyManua.ls Logo

Dynacord M1 PRO - Page 18

Dynacord M1 PRO
40 pages
Print Icon
To Next Page IconTo Next Page
To Next Page IconTo Next Page
To Previous Page IconTo Previous Page
To Previous Page IconTo Previous Page
Loading...
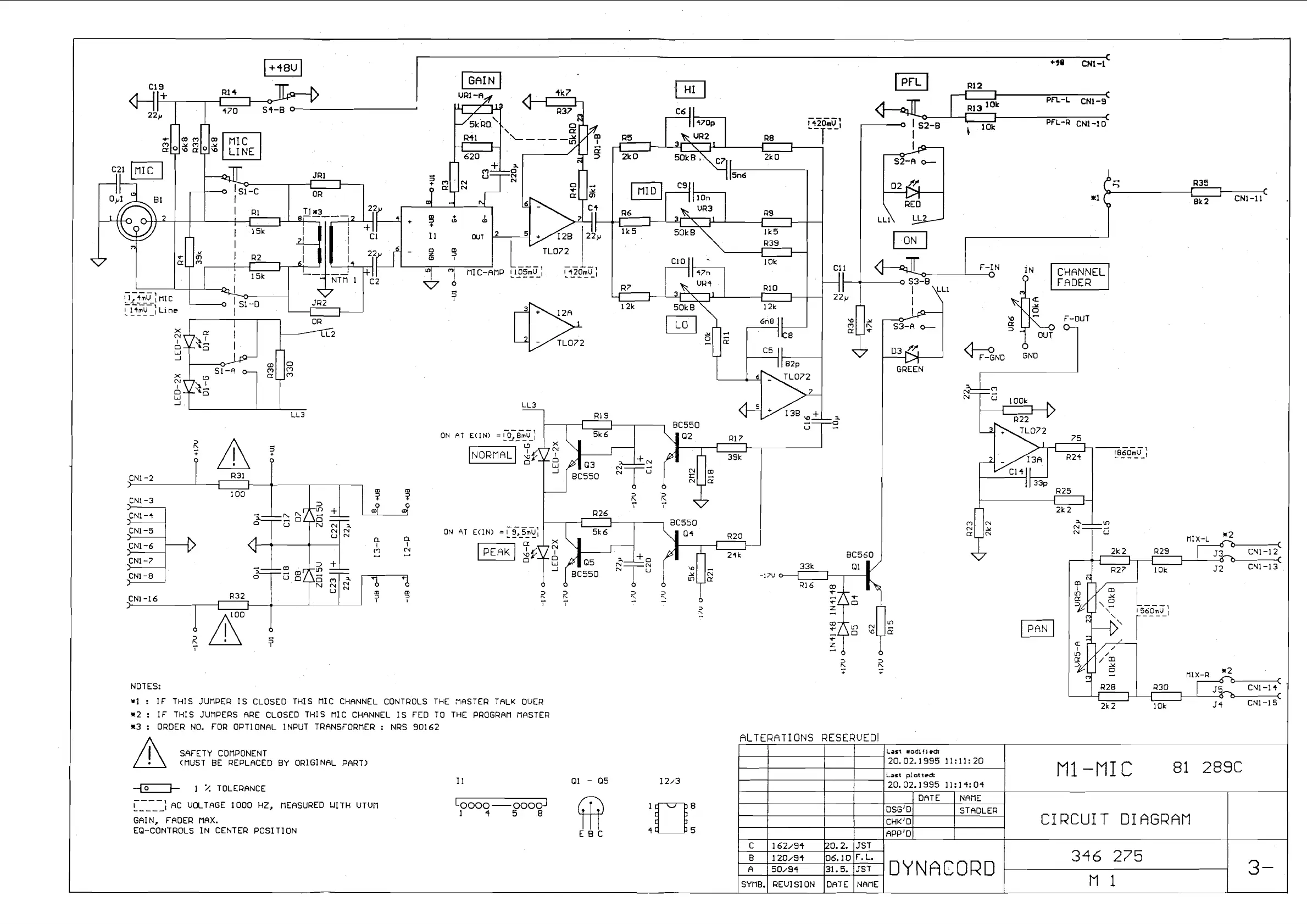
NOTES:
*I
:
IF THIS JUflPER IS CLOSED THIS flIC CHRNNEL CONTROLS THE nRSTER TRLK OUER
m2
:
IF THIS JUnPERS ARE CLOSED THIS nIC CHRNNEL IS FED TO THE PROGRRfl flASTER
m3
:
ORDER NO. FOR OPTIONAL INPUT TRRNSFORflER
:
NRS 90162
A
SRFETY
,-,
,--
-?
COflPONENT
-..
*-.my.,Aa
30
1
2
TOLERANCE
----
RC UOLTRGE 1000 HZ, flERSURED UITH UTUfl
1----1
GAIN, FADER nAX.
EQ-CONTROLS IN CENTER POSITION
Lo000
-0oooj
1458
EBC
BLTERBTIONS RESERVED!
I
I
I
LV. VL.
I44d
*
A.
I
I.
LU
,--.
,
-.
A.
MI
-MTr
81
B
1
1 20194 106.
10
IF.
L.
346
L/S
R
150194 131.5.
!JST
(DY
NACORD
I
LA
.
13-1
SYflB. REUISION DRTE NRflE
1-1
1

Related product manuals