EasyManua.ls Logo

Dynapac CA 152 - TOOLS, HEXAGONAL SOCKET WRENCH 38 55 04

Dynapac CA 152
11 pages
Print Icon
To Previous Page IconTo Previous Page
To Previous Page IconTo Previous Page
Loading...
9CA 150/152 W1080EN1
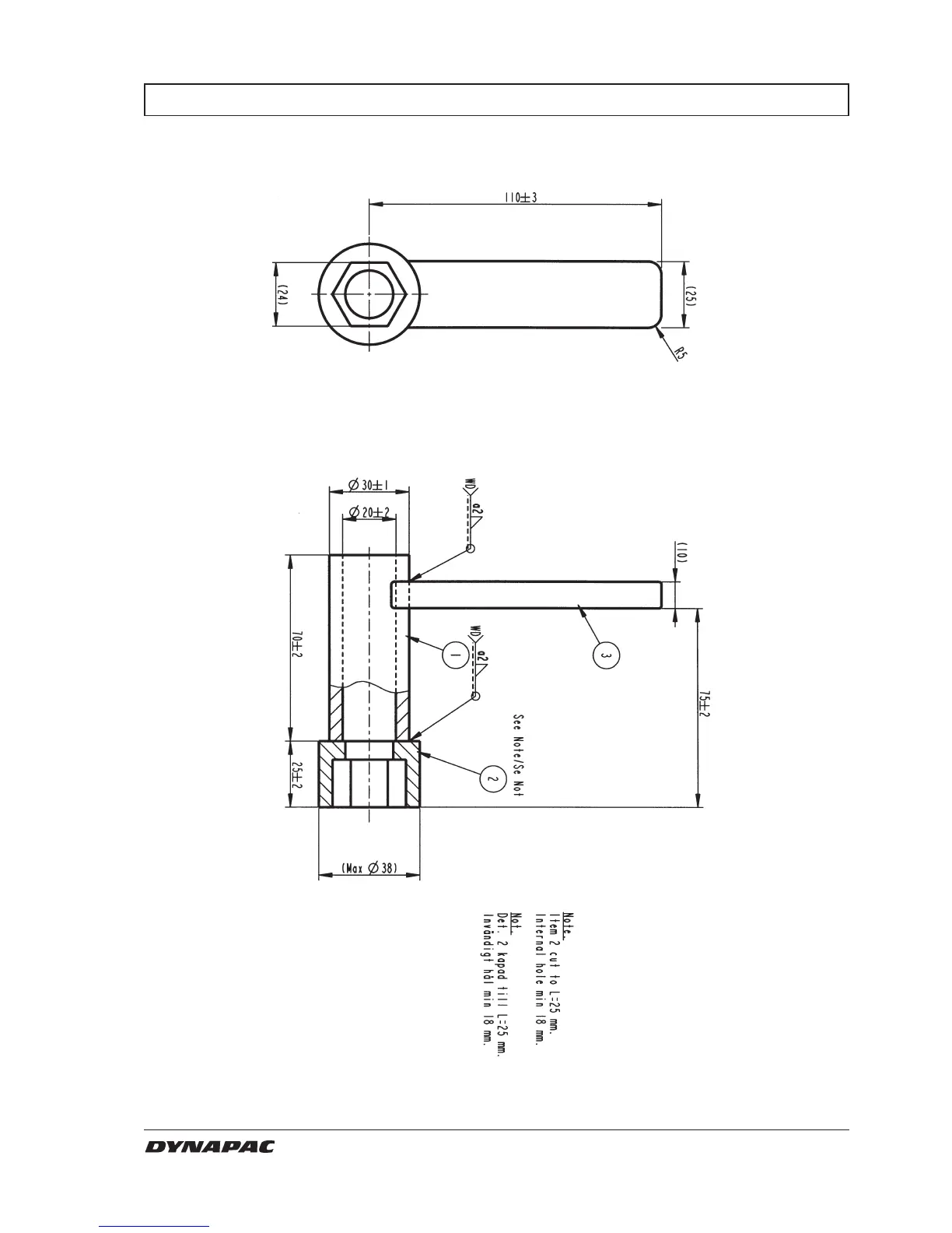
TOOLS, HEXAGONAL SOCKET WRENCH 38 55 04

Related product manuals