EasyManua.ls Logo

DYTECH GT02 - Power Wires connection

DYTECH GT02
12 pages
Print Icon
To Next Page IconTo Next Page
To Next Page IconTo Next Page
To Previous Page IconTo Previous Page
To Previous Page IconTo Previous Page
Loading...
Note: the three lights must be stable lighting represents device can work
normally. Device will turn into sleep mode with lights off after around 5 minutes,
it will wake up if make a call to device number.
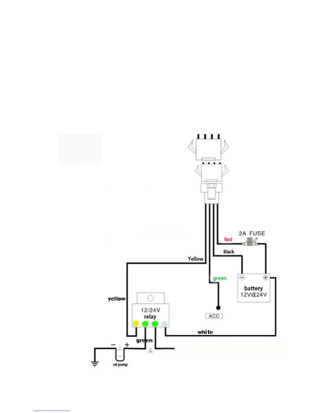
5. Power Wires connection
1. Red wire connects to vehicle power anode +
2. Black wire connects to vehicle power cathode -
3. Yellow wire connects to oil pump or circuit control wires
4. Green wire connects to ACC ignition wire