EasyManua.ls Logo

EAE EE-MR30 - Annex 2, Electrical Diagrams and Parts List

EAE EE-MR30
35 pages
Print Icon
To Next Page IconTo Next Page
To Next Page IconTo Next Page
To Previous Page IconTo Previous Page
To Previous Page IconTo Previous Page
Loading...
Installation, Operation and Parts Manual
EE-MR30
23
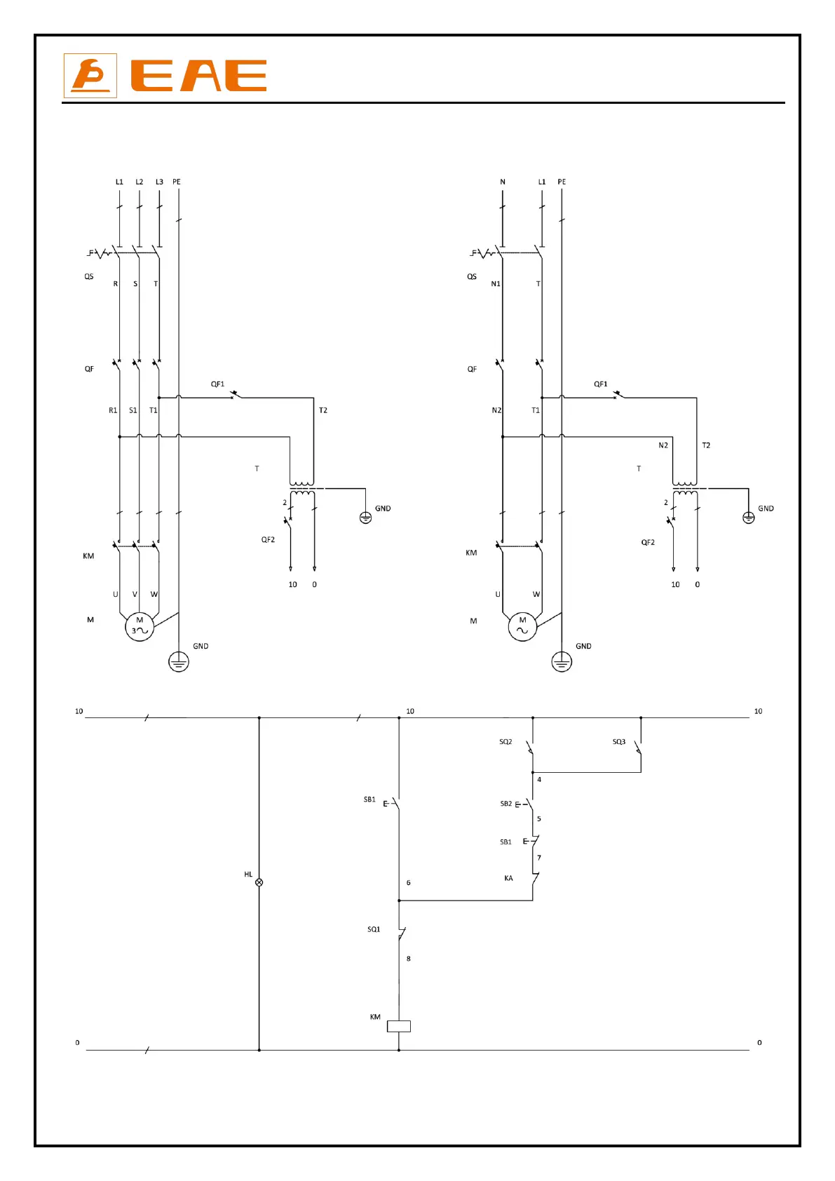
Annex 2, Electrical diagrams and parts list
(Note: For the specific requirements on voltage, the actual voltage of your lift may differ with the following diagram)

Related product manuals