EasyManua.ls Logo

EAW CXA240 - 10. TYPICAL HOOKUP DIAGRAM; System Connection Example

EAW CXA240
12 pages
Print Icon
To Next Page IconTo Next Page
To Next Page IconTo Next Page
To Previous Page IconTo Previous Page
To Previous Page IconTo Previous Page
Loading...
8 CXA240
CXA240 – 9
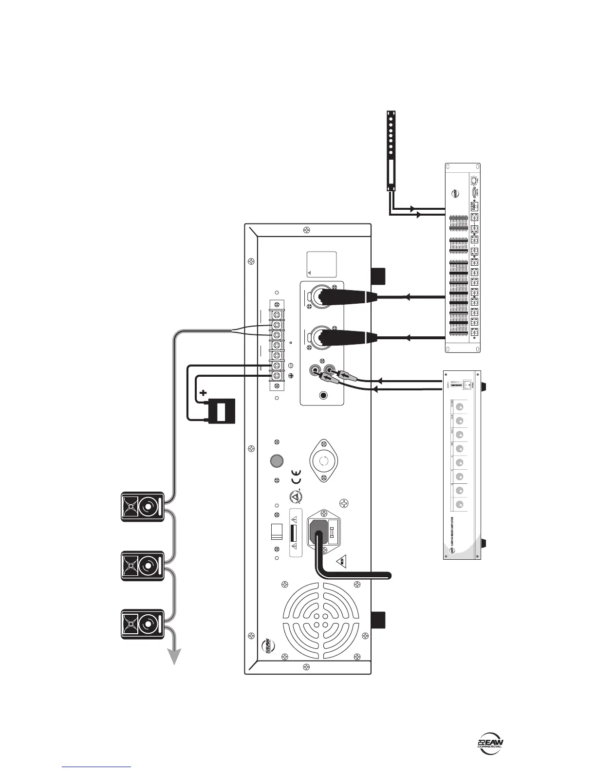
7. TYPICAL HOOKUP DIAGRAM
















 
  




 



    

   
   

 

C
X
A
2 4 0
-
A
M
P
L
I
F
I
E
R


F
U
S
E
F
U
S
E
F
U
S
E
 






 
MIXER OR PREAMPLIFIER (EAW DX810)
MIXER AMPLIFIER (EAW CAM150)





Other manuals for EAW CXA240

Related product manuals