EasyManua.ls Logo

Echo WP-1000 - Product Description; Key Component Identification

Echo WP-1000
40 pages
Print Icon
To Next Page IconTo Next Page
To Next Page IconTo Next Page
To Previous Page IconTo Previous Page
To Previous Page IconTo Previous Page
Loading...
10 X7505120800
© 4/2015 ECHO Inc.
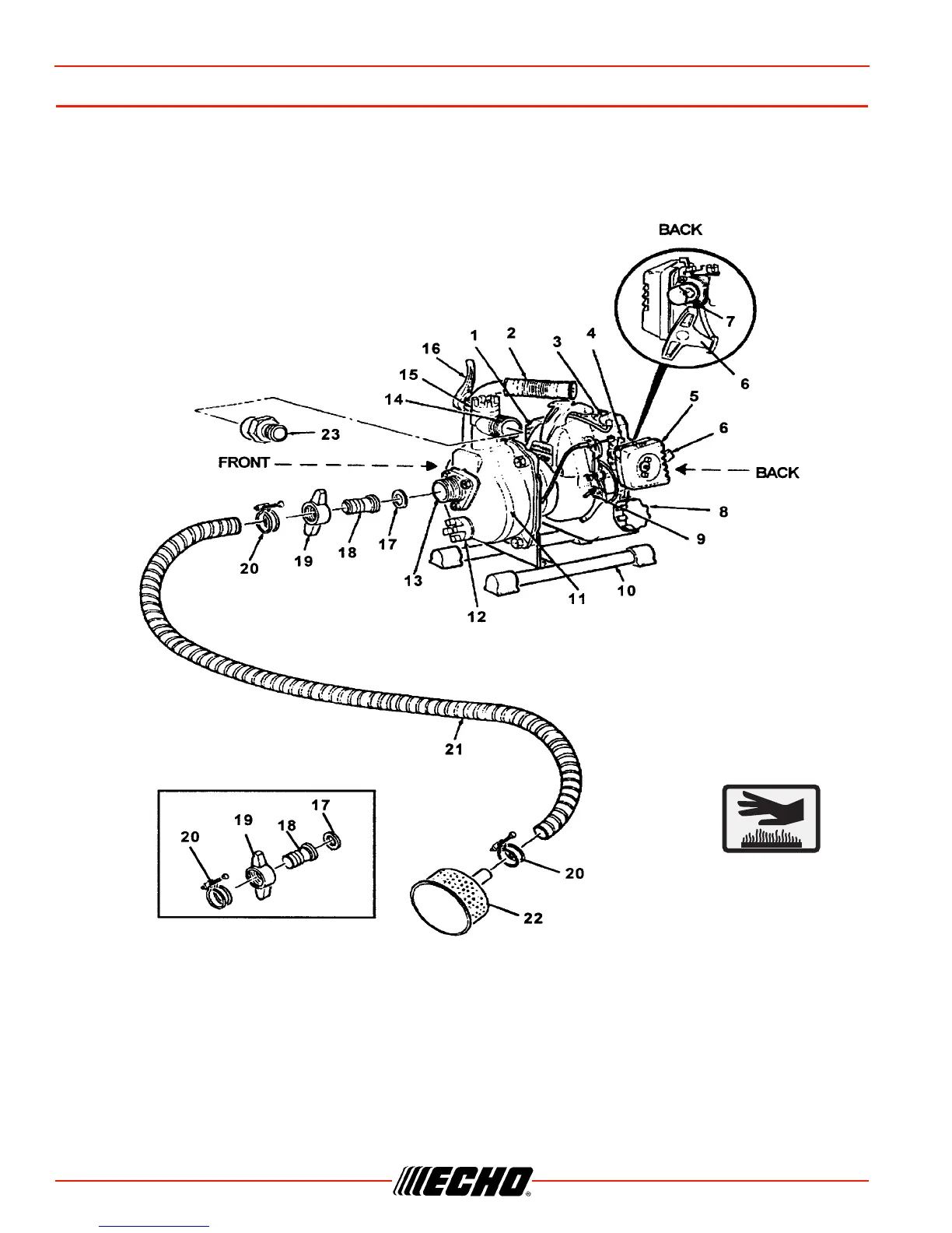
DESCRIPTION WP-1000
DESCRIPTION
Locate the safety decal(s) on your unit. Make sure the decal(s) is legible and that you understand and follow
the instructions on it. If a decal cannot be read, a new one can be ordered from your ECHO dealer. See
PARTS ORDERING instructions for specific information.
Extra Parts for discharge hose
Hot Label