EasyManua.ls Logo

Ecler WARM2 - Block Diagram

Ecler WARM2
23 pages
Print Icon
To Next Page IconTo Next Page
To Next Page IconTo Next Page
To Previous Page IconTo Previous Page
To Previous Page IconTo Previous Page
Loading...
20
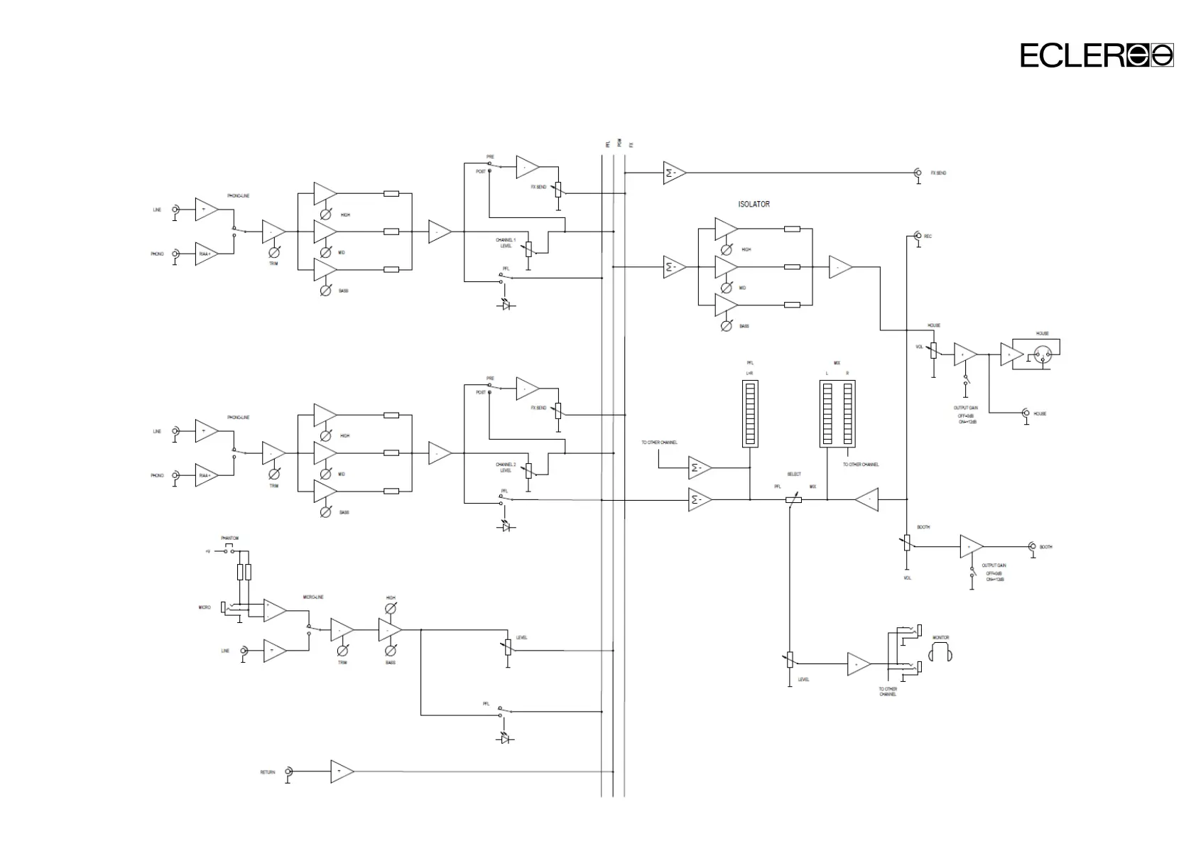
12. BLOCKS DIAGRAM

Related product manuals