EasyManua.ls Logo

eka EKF 523E UD - Technical Information and Disposal; Wiring Layout and Technical Service; Consumer Information and Disposal

eka EKF 523E UD
23 pages
Print Icon
To Next Page IconTo Next Page
To Next Page IconTo Next Page
To Previous Page IconTo Previous Page
To Previous Page IconTo Previous Page
Loading...
TECNOEKA Srl _____________________________________________________________ use and instruction manual
page 22 _________________________________________________________________________________________
5.
5.5.
5.6
66
6
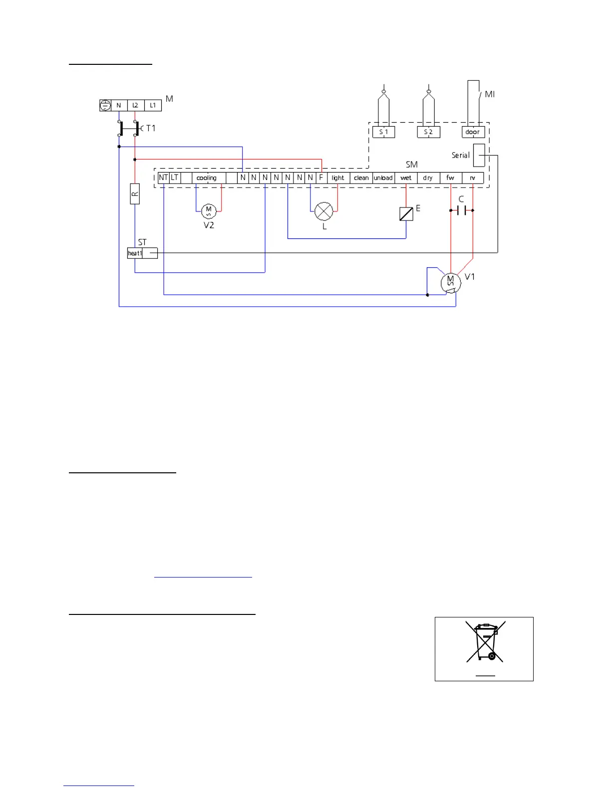
Wiring layout
Wiring layoutWiring layout
Wiring layout
Key
KeyKey
Key
M
Power supply terminal board
R Circular heating element
T1 Oven safety thermostat
V1 Radial motorised ventilator
V2 Tangential motorised ventilator
L Lighting lamp
S1 Cooking chamber probe
S2
Food core probe
MI Door microswitch
C Capacitor
E Water solenoid-valve
ST “triac” card
SM Microprocessor card
6
66
6.
..
.
Technical service
Technical serviceTechnical service
Technical service
Before leaving the factory, the appliance was completely regulated and tested by expert
specialised personnel to guarantee the best operating results.
All repairs and settings must be performed with utmost care and attention, respecting national
safety regulations in force. Always contact your retailer or our nearest Service Centre, giving
details of the problem, the appliance model and the serial number (on the rating plate on the
rear panel).
For any maintenance the user can contact Tecnoeka by calling the telephone numbers on the
cover or going to www.tecnoeka.com
www.tecnoeka.comwww.tecnoeka.com
www.tecnoeka.com.
7.
7. 7.
7. Informations to the consumers
Informations to the consumersInformations to the consumers
Informations to the consumers
Further to Directive 2002/96/EC, the symbol of the crossed rubbish skip on
the appliance means that at the end of its life, the product must be
disposed of separately from the other rubbish. The user must hand the
appliance to a specialised waste collection centre for electric and electronic
equipment.
The separate collection of the rubbish and subsequent treatment, r
ecovery and disposal help to
produce other equipment using recycled materials, reducing the negative effects on the
environment and public health, which would be caused by incorrect management of the
rubbish.
Should the user dispose of the product abusively, administrative sanctions would be applied.

Related product manuals