EasyManua.ls Logo

eka KF 1010 UD - Technical Information and Support; Wiring Layout Diagram; Technical Service Information; Consumer Information on Disposal

eka KF 1010 UD
20 pages
Print Icon
To Next Page IconTo Next Page
To Next Page IconTo Next Page
To Previous Page IconTo Previous Page
To Previous Page IconTo Previous Page
Loading...
_ Electronic Ovens _ rev. 0 _______________________________________________________________ KF 1010 UD _
_________________________________________________________________________________________ page 19 _
5.8
5.8 5.8
5.8
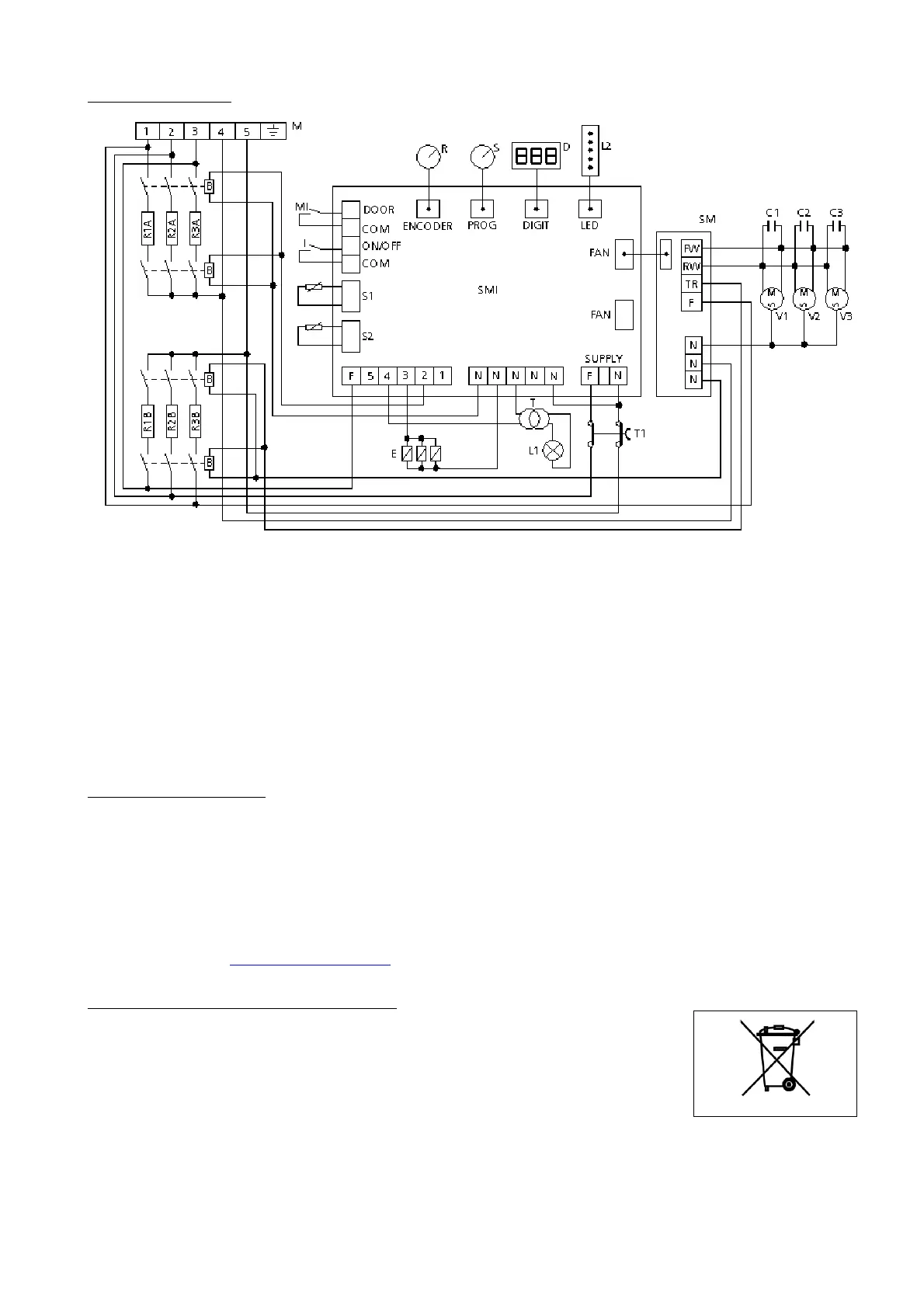
Wiring layout
Wiring layoutWiring layout
Wiring layout
Key
KeyKey
Key
M Power supply terminal board
B Contactor coil
R1-R2-R3 Circular heating elements
MI Door microswitch
I Power line switch
E Water solenoid-valve
T 230/12V transformer
T1 Safety thermostat
L1 Lighting lamp
C1-C2-C3 Capacitors
V1-V2-V3 Radial motorised ventilators
SM Motorised card
SMI Microprocessor card
R Regulator
S Selector
D Display
S1 Cooking chamber probe
S2 Food core probe
6
66
6.
..
.
Technical service
Technical serviceTechnical service
Technical service
Before leaving the factory, the appliance was completely regulated and tested by expert
specialised personnel to guarantee the best operating results.
All repairs and settings must be performed with utmost care and attention, respecting
national safety regulations in force. Always contact your retailer or our nearest Service Centre,
giving details of the problem, the appliance model and the serial number (on the rating plate on
the rear panel).
For any maintenance the user can contact Tecnoeka by calling the telephone numbers on the
cover or going to www.tecnoeka.com
www.tecnoeka.comwww.tecnoeka.com
www.tecnoeka.com.
7.
7. 7.
7. Informations to the consumers
Informations to the consumersInformations to the consumers
Informations to the consumers
Further to Directive 2002/96/EC, the symbol of the crossed rubbish skip on
the appliance means that at the end of its life, the product must be
disposed of separately from the other rubbish. The user must hand the
appliance to a specialised waste collection centre for electric and electronic
equipment.
The separate collection of the rubbish and subsequent treatment, recovery and disposal help to
produce other equipment using recycled materials, reducing the negative effects on the
environment and public health, which would be caused by incorrect management of the
rubbish.
Should the user dispose of the product abusively, administrative sanctions would be applied.

Related product manuals