EasyManua.ls Logo

eka KF 912 IX - Page 16

Default Icon
20 pages
Print Icon
To Next Page IconTo Next Page
To Next Page IconTo Next Page
To Previous Page IconTo Previous Page
To Previous Page IconTo Previous Page
Loading...
_ TECNOEKA Srl _________________________________________________________ use and instruction manual _
_ page 16 _________________________________________________________________________________________
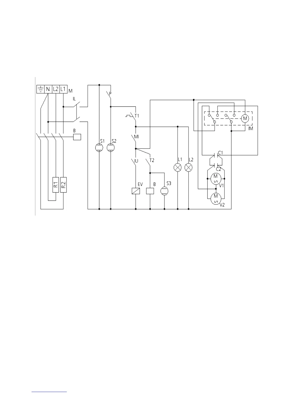
MOD. KF 965
MOD. KF 965MOD. KF 965
MOD. KF 965
Key
KeyKey
Key
M Power terminal board
P "End of cooking" programmer
MI Door microswitch
T1 Safety thermostat
T2 Control thermostat
IU Humidifier switch
R1-R2 Circular heating elements
IL Power line switch
L1-L2 Lighting lamps
V1-V2 Radial motoventilators
EV Water solenoid-valve
B Contactor coil
S1 Power line indicator light
S2 Programmer indicator light
S3 Thermostat indicator light
C1-C2 Capacitors
IM Operating direction reversing element

Related product manuals