EasyManua.ls Logo

eka KF 912 IX - Page 17

Default Icon
20 pages
Print Icon
To Next Page IconTo Next Page
To Next Page IconTo Next Page
To Previous Page IconTo Previous Page
To Previous Page IconTo Previous Page
Loading...
_ Electric Ovens _ rev. 4____ ______ ________ KF 937 – KF 937 UD – KF 933 – KF 933 U – KF 933 AL – KF 933 AL U
KF 912 - KF 912 IX – KF 965 – KF 965 M – KF 965 AL UD – KF 966 UD _
_________________________________________________________________________________________ page 17 _
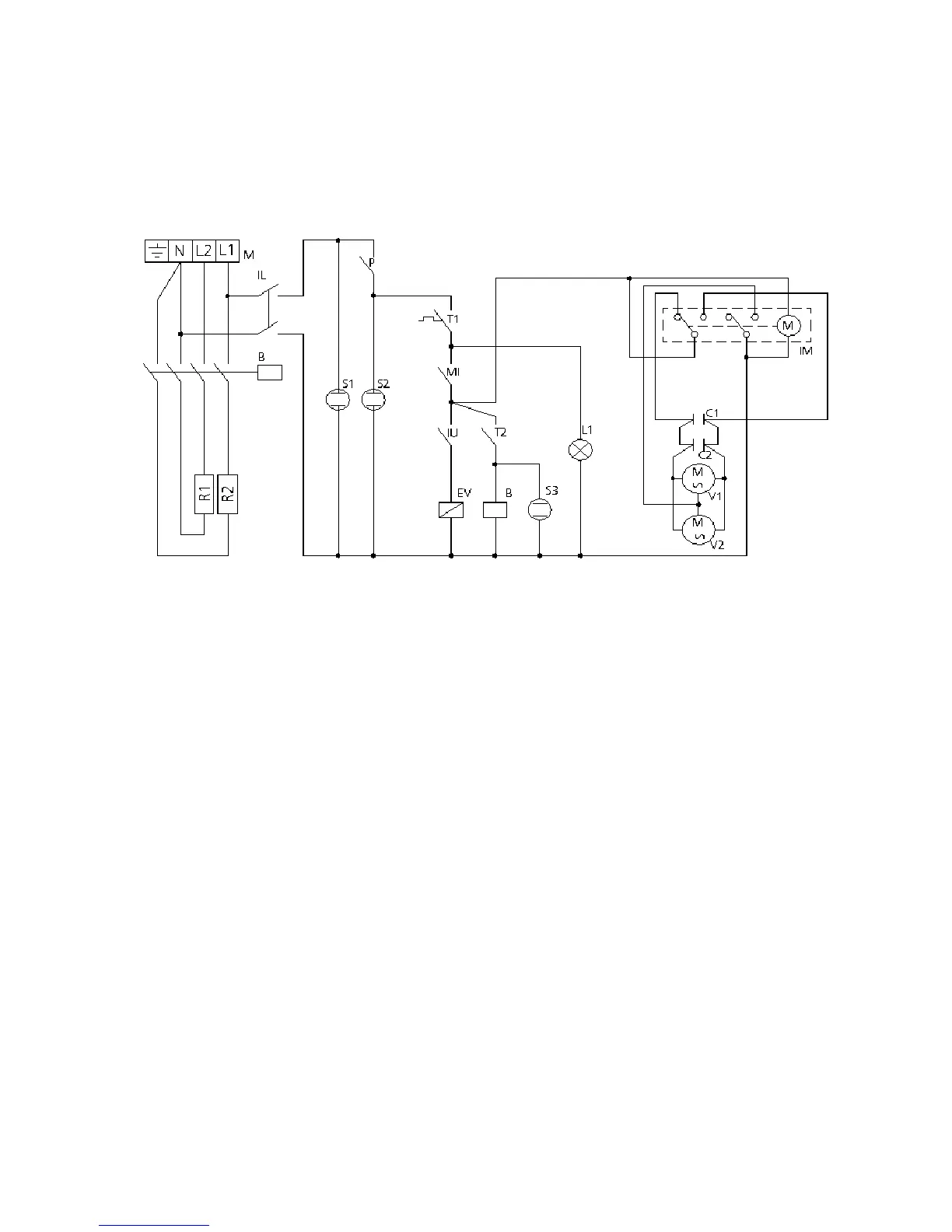
MOD. KF 965
MOD. KF 965 MOD. KF 965
MOD. KF 965 AL
AL AL
AL UD
UDUD
UD
Key
KeyKey
Key
M Power terminal board
P "End of cooking" programmer
MI Door microswitch
T1 Safety thermostat
T2 Control thermostat
IU Humidifier switch
R1-R2 Circular heating elements
IL Power line switch
L1 Lighting lamps
V1-V2 Radial motoventilators
EV Water solenoid-valve
B Contactor coil
S1 Power line indicator light
S2 Programmer indicator light
S3 Thermostat indicator light
C1-C2 Capacitors
IM Operating direction reversing element

Related product manuals