EasyManua.ls Logo

eka KF 912 IX - Page 18

Default Icon
20 pages
Print Icon
To Next Page IconTo Next Page
To Next Page IconTo Next Page
To Previous Page IconTo Previous Page
To Previous Page IconTo Previous Page
Loading...
_ TECNOEKA Srl _________________________________________________________ use and instruction manual _
_ page 18 _________________________________________________________________________________________
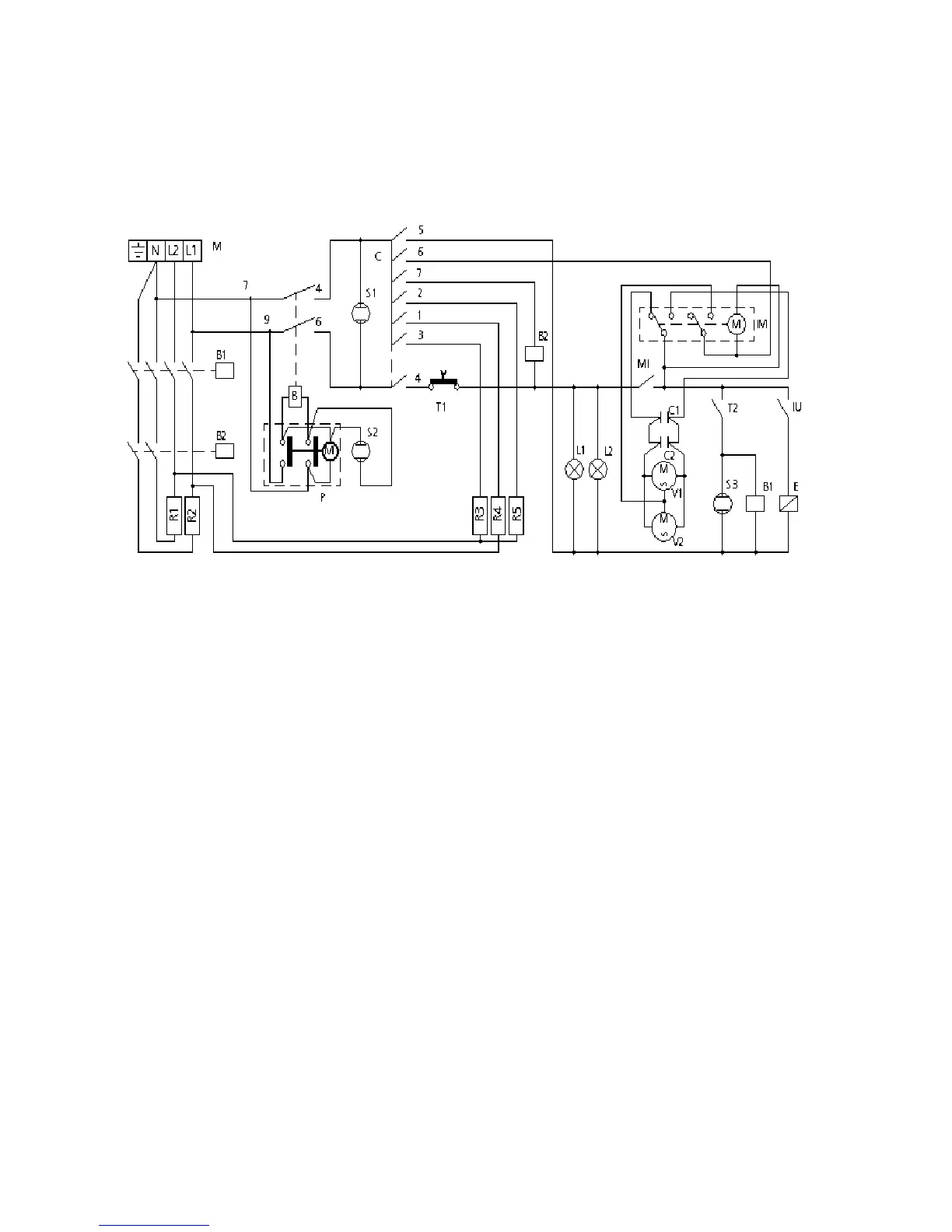
MOD. KF 965 M
MOD. KF 965 MMOD. KF 965 M
MOD. KF 965 M
Key
KeyKey
Key
M Power terminal board
P "End of cooking" programmer
MI Door microswitch
T1 Safety thermostat
T2 Control thermostat
IU Humidifier switch
C Switch
R1-R2 Circular heating elements
R3 Grill heating element
R4 Lower heating element
R5 Upper heating element
L1-L2 Lighting lamps
V1-V2 Radial motoventilators
E Humidifier solenoid-valve
B1 Contactor coil
B-B2 Relay coil
S1 Power line indicator light
S2 Programmer indicator light
S3 Thermostat indicator light
C1-C2 Capacitors
IM Operating direction reversing element

Related product manuals