EasyManua.ls Logo

EKOM Event DK50 D - Wiring Diagram

EKOM Event DK50 D
29 pages
Print Icon
To Next Page IconTo Next Page
To Next Page IconTo Next Page
To Previous Page IconTo Previous Page
To Previous Page IconTo Previous Page
Loading...
SERVICE MANUAL
- 18 - SM-eVENT-GB-3_8-2006.doc
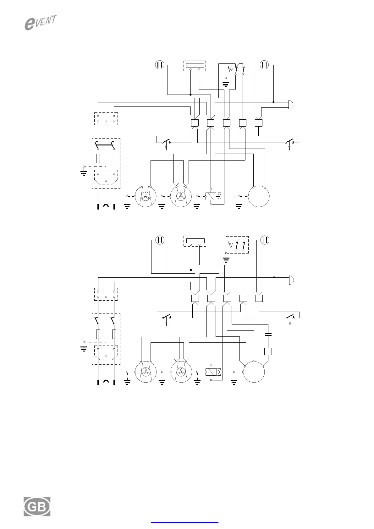
13. WIRING DIAGRAM
DK50 D
DK50 DM
Legend:
1. Main input, power switch, primary fuses
2. Compressor motor
3. Solenoid valve
4. Cooling fans
5. Pressure switch
6. Filtering circuit
7. Terminal board
8. Thermoswitch
9. Power indicator
10. Cooling failure indicator
11. Counter
12. Acoustic indicator
13. Capacitor
2
5
U2
6
PEN U
1
4 4 3
t
40°C
8
1 2 3 4
230V / 50Hz
230V / 60Hz
115V / 60Hz
TYPE B
00000
9
11
M
1
5
7
80°C
t
8
12
10
5
6
PEN U
1
4 4 3
t
40°C
8
1 2 3 4
230V / 50Hz
230V / 60Hz
115V / 60Hz
TYPE B
00000
9 11
3
M
2
2
7
1
5
7
80°C
t
8
13
12
10
1
PDF created with pdfFactory trial version www.pdffactory.com

Related product manuals