EasyManua.ls Logo

elddis AutoQuest - Electrical Drawings; Autoquest Electrical Wiring Diagrams

elddis AutoQuest
100 pages
Print Icon
To Next Page IconTo Next Page
To Next Page IconTo Next Page
To Previous Page IconTo Previous Page
To Previous Page IconTo Previous Page
Loading...
16-1
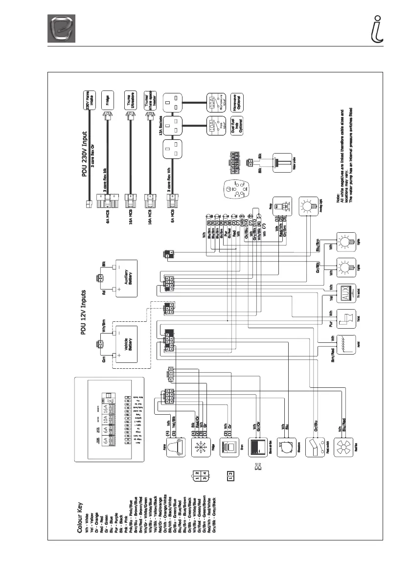
ELECTRICAL DRAWINGS
ELECTRICAL DRAWINGS
AUTOQUEST

Table of Contents

Related product manuals