EasyManua.ls Logo

elddis XPLORE - Road Lights - Xplore

elddis XPLORE
134 pages
Print Icon
To Next Page IconTo Next Page
To Next Page IconTo Next Page
To Previous Page IconTo Previous Page
To Previous Page IconTo Previous Page
Loading...
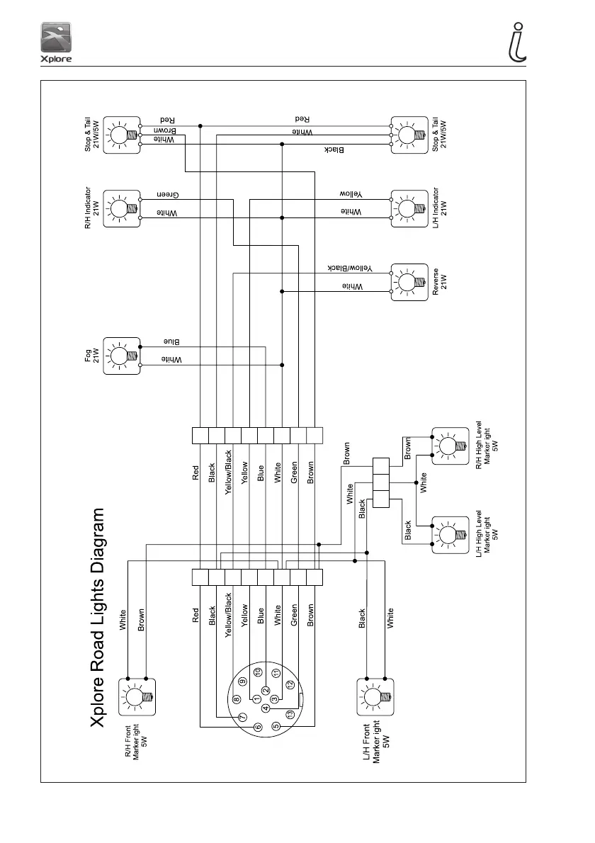
15-2
ELECTRICAL DRAWINGS
ROAD LIGHTS - XPLORE

Table of Contents

Related product manuals