EasyManua.ls Logo

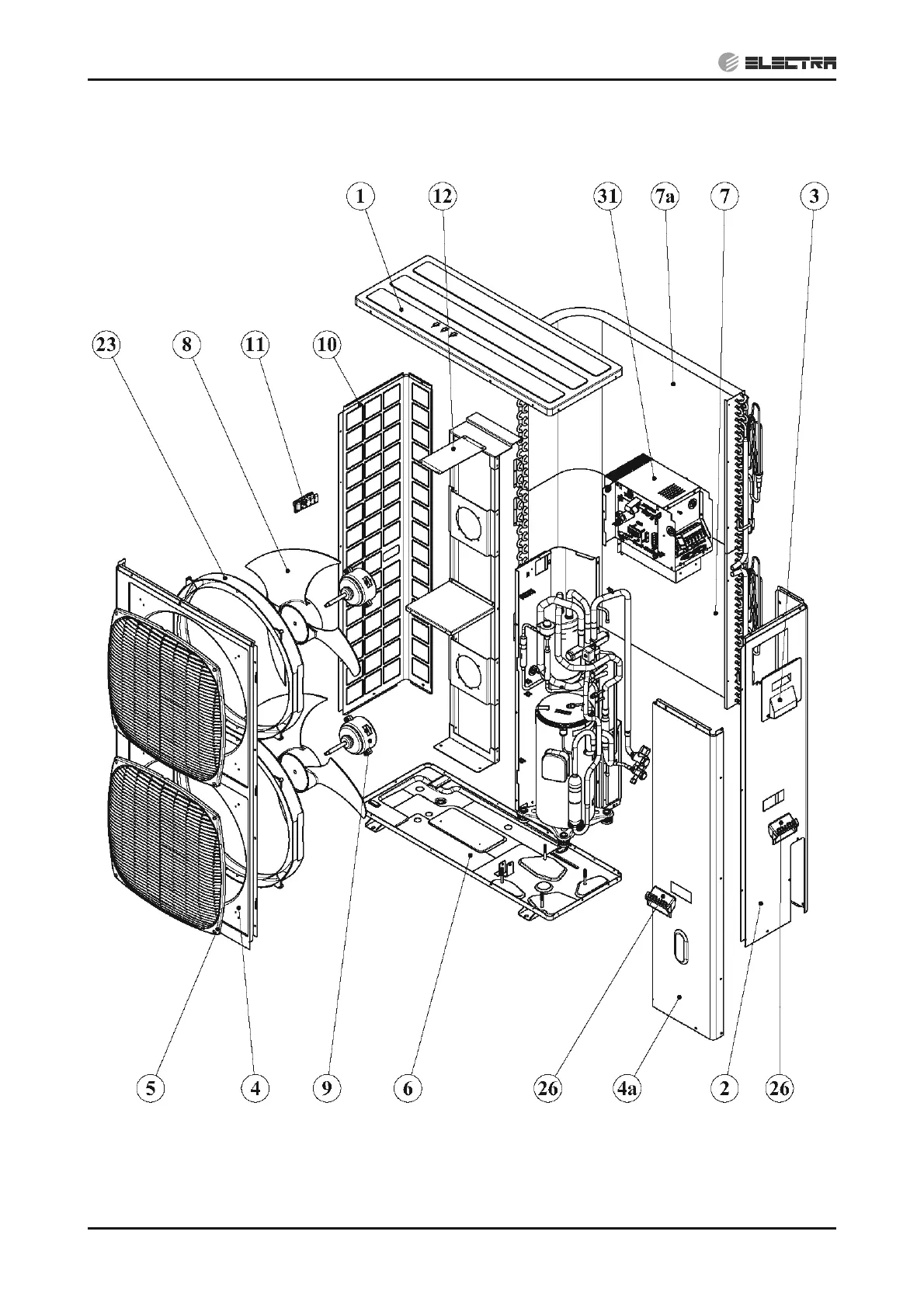
Electra DNG 100 - OU12 4-5 HP DCI Outdoor Unit Exploded View; OU12 4-5 HP DCI Outdoor General Assembly

Electra DNG 100
149 pages
Print Icon
To Next Page IconTo Next Page
To Next Page IconTo Next Page
To Previous Page IconTo Previous Page
To Previous Page IconTo Previous Page
Loading...
15-10
EXPLODED VIEWS AND SPARE PARTS LISTS
SM OU12HP 2-E.2 GB
15.10 OU12 4-5HP DCI - Exploded View
15.10.1 Outdoor Unit General Assembly
CONTENTS

Related product manuals