EasyManua.ls Logo

Electrolux Evolution - Page 28

Electrolux Evolution
29 pages
Print Icon
To Next Page IconTo Next Page
To Next Page IconTo Next Page
To Previous Page IconTo Previous Page
To Previous Page IconTo Previous Page
Loading...
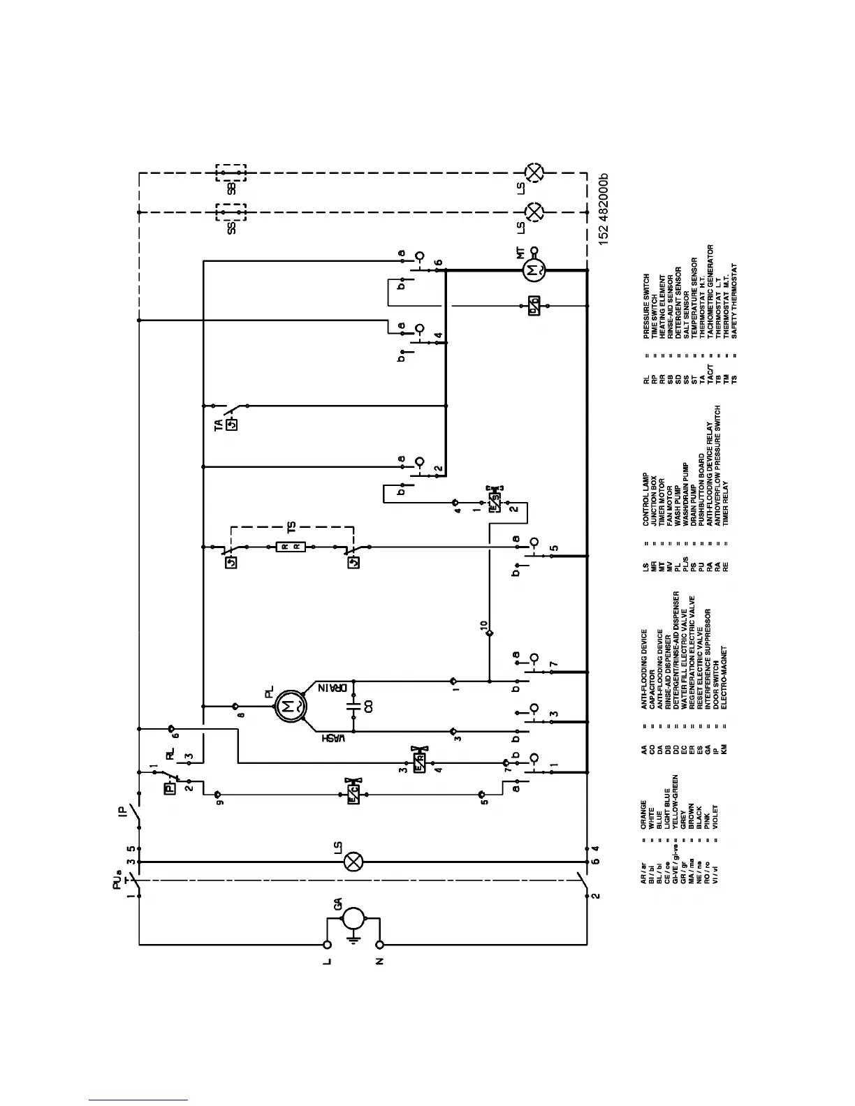
FUNCTIONAL DIAGRAM
TIMER 152475400
28

Related product manuals