EasyManua.ls Logo

Electrolux Evolution - Electrical Circuits; Diagrams

Electrolux Evolution
29 pages
Print Icon
To Next Page IconTo Next Page
To Next Page IconTo Next Page
To Previous Page IconTo Previous Page
To Previous Page IconTo Previous Page
Loading...
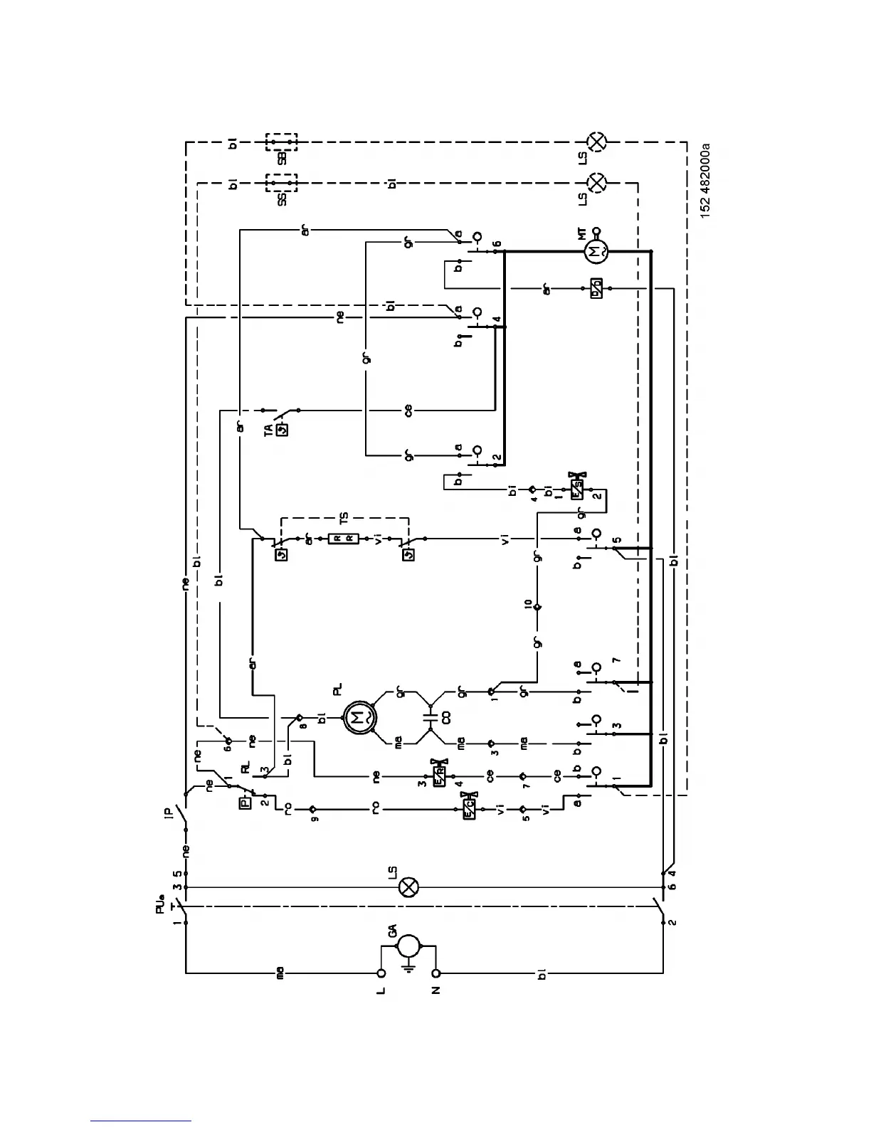
BASIC CIRCUIT DIAGRAM
TIMER 152475400
27

Related product manuals