EasyManua.ls Logo

Electrolux LUX - Page 31

Electrolux LUX
33 pages
Print Icon
To Next Page IconTo Next Page
To Next Page IconTo Next Page
To Previous Page IconTo Previous Page
To Previous Page IconTo Previous Page
Loading...
Q&CI - Technical Support 30 599 844 - 908 Rev. 01
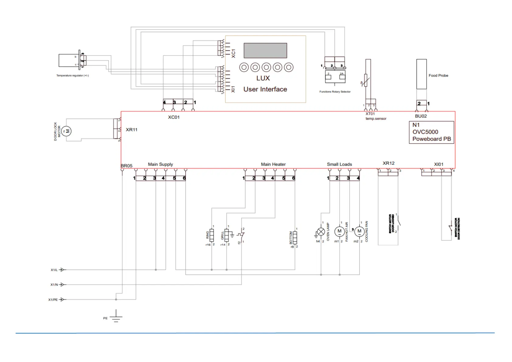
Oven: Pyro
Platform: Sputnik
User interface: LUX
Power board: OVC5000

Related product manuals