EasyManua.ls Logo

Electrolux LUX - Wiring Diagram

Electrolux LUX
33 pages
Print Icon
To Next Page IconTo Next Page
To Next Page IconTo Next Page
To Previous Page IconTo Previous Page
To Previous Page IconTo Previous Page
Loading...
Q&CI - Technical Support 28 599 844 - 908 Rev. 01
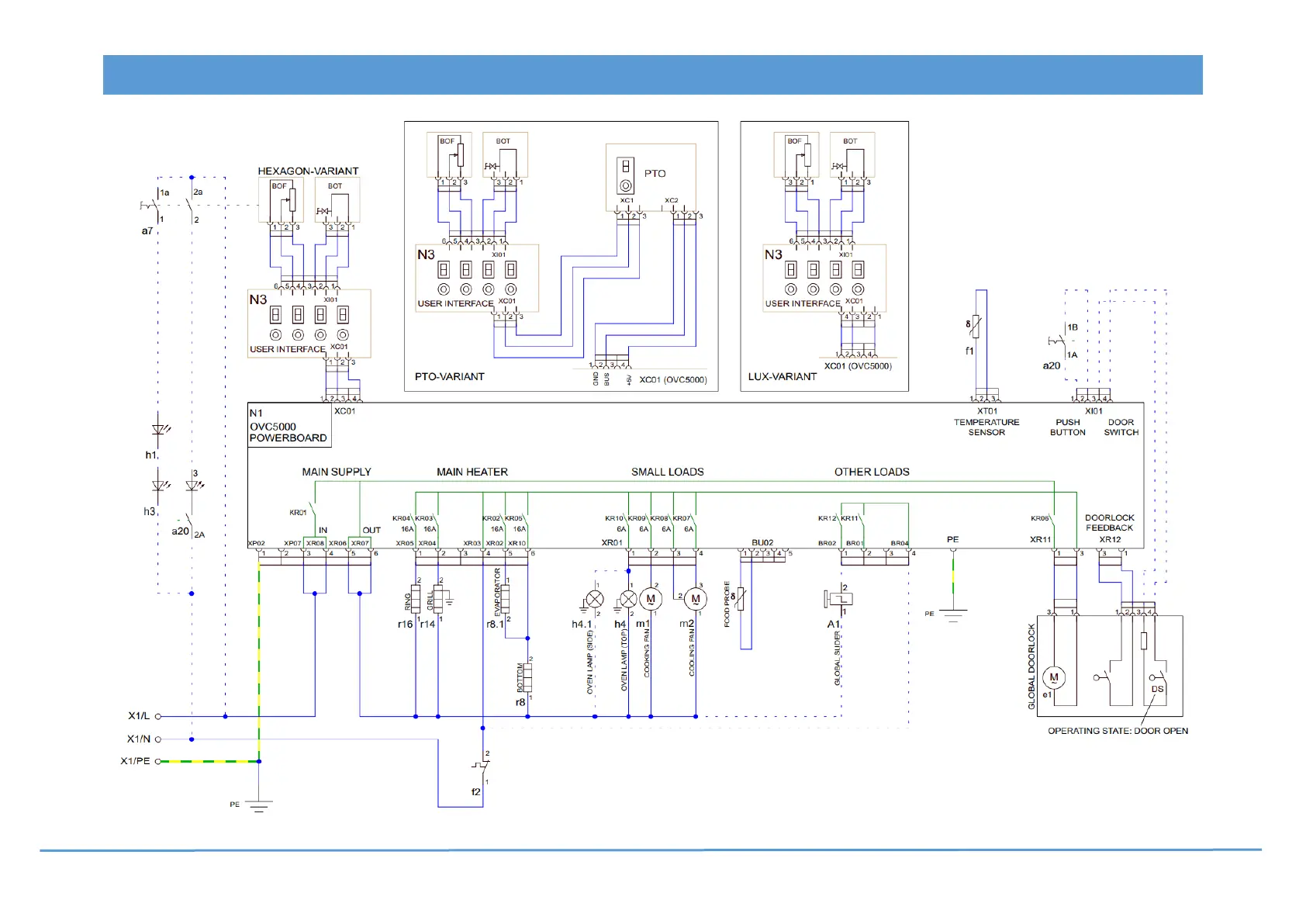
6 WIRING DIAGRAM
Oven: Direct Steamer
Platform: Apollo
User interface: LUX
Power board: OVC-R5000

Related product manuals