EasyManua.ls Logo

Electrolux PLMV169DCC - Lsi Unit Circuit

Electrolux PLMV169DCC
52 pages
Print Icon
To Next Page IconTo Next Page
To Next Page IconTo Next Page
To Previous Page IconTo Previous Page
To Previous Page IconTo Previous Page
Loading...
42
PLMV169DCC
6
45
1
2
3
6
45
1
2
3
A
B
C
D
E
F
G
H
A
B
C
D
E
F
G
H
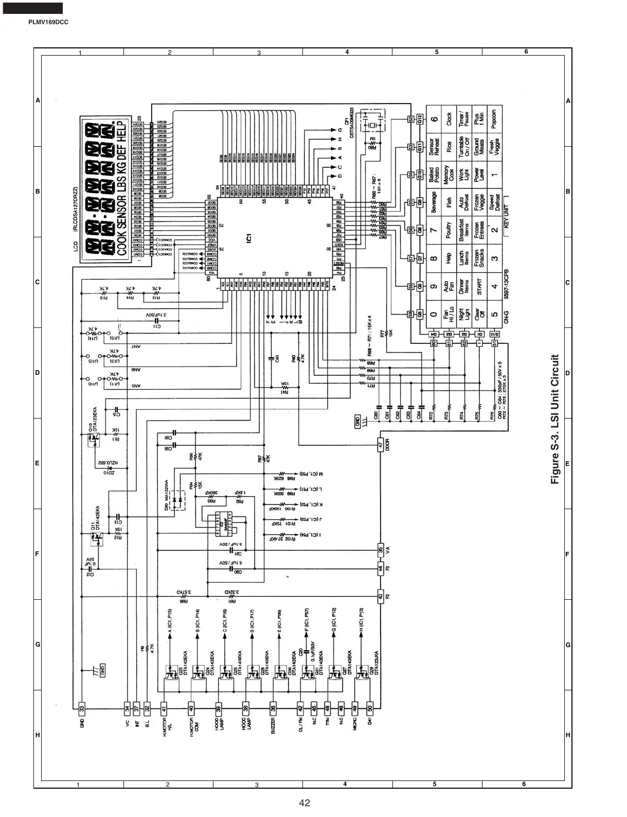
Figure S-3. LSI Unit Circuit
https://appliancetechmanuals.com

Related product manuals