EasyManua.ls Logo

Electrolux Side by Side Refrigerators - Page 22

Electrolux Side by Side Refrigerators
100 pages
Print Icon
To Next Page IconTo Next Page
To Next Page IconTo Next Page
To Previous Page IconTo Previous Page
To Previous Page IconTo Previous Page
Loading...
21
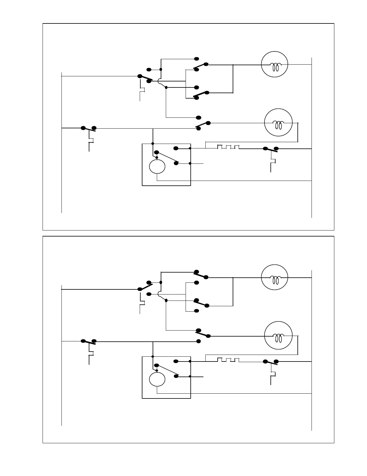
EVAP. FAN MOTOR
TOP SWITCH BY MOTOR
DEFROST HEATER
L1
TO COMPRESSOR
FIGURE 18
NOTE: SWITCHES WILL CLOSE AND
OPEN ONE AT A TIME TO PREVENT
STALLING IN A HALF OPEN POSITION
AS A RESULT OF A POWER OUTAGE
1
2
3
4
MECHANICAL TIMER
DAMPER MOTOR
REFRIGERATOR
CONTROL
1
2
3
TOP SWITCH BY DAMPER
N
C
NO
NC
NO
NC
C
NO
NC
C
2
1
FREEZER CONTROL
BOTTOM SWITCH
DEFROST
THERMO.
TM
FOOD COMPARTMENT CONTROL IN OFF POSITION
DAMPER CLOSED ALL THE WAY
EVAP. FAN MOTOR
TOP SWITCH BY MOTOR
DEFROST HEATER
L1
TO COMPRESSOR
FIGURE 19
NOTE: SWITCHES WILL CLOSE AND
OPEN ONE AT A TIME TO PREVENT
STALLING IN A HALF OPEN POSITION
AS A RESULT OF A POWER OUTAGE
1
2
3
4
MECHANICAL TIMER
DAMPER MOTOR
REFRIGERATOR
CONTROL
1
2
3
TOP SWITCH BY DAMPER
N
C
NO
NC
NO
NC
C
NO
NC
C
2
1
FREEZER CONTROL
BOTTOM SWITCH
DEFROST
THERMO.
TM
FOOD COMPARTMENT CONTROL IN ON POSITION
DAMPER OPEN ALL THE WAY

Table of Contents

Related product manuals