EasyManua.ls Logo

ELGi TS05 - Page 30

ELGi TS05
32 pages
Print Icon
To Next Page IconTo Next Page
To Next Page IconTo Next Page
To Previous Page IconTo Previous Page
To Previous Page IconTo Previous Page
Loading...
30
TS Series
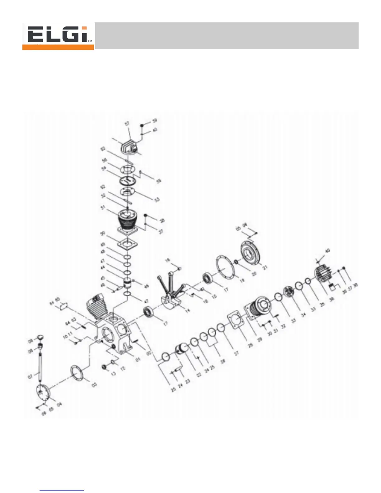
10.1 Replacement Pump Parts - TS 15

Related product manuals