EasyManua.ls Logo

Eliwell EWCM 4120 - Neutral Zone Regulation

Eliwell EWCM 4120
75 pages
Print Icon
To Next Page IconTo Next Page
To Next Page IconTo Next Page
To Previous Page IconTo Previous Page
To Previous Page IconTo Previous Page
Loading...
If Fn10=0 then the condensation control is independent of the compressor, if, however, Fn10=1 then the fan is off
when all of the compressors available are off.
The cut-off at minimum is bypassed for the time set at parameter Fn14 after the compressor is activated. If the
regulator requests the switching off of the fans during this time, the fans will be piloted at the minimum speed (1
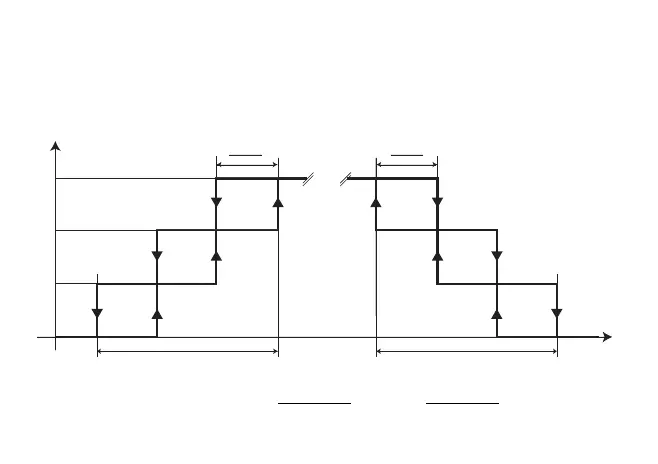
step). The following is an example of regulation with lateral set point (St01=1). In the case of central set point
(St01=0), the proportional band is deemed to be centred in the set point:
Fn03 Fn03
Fn00
Step
3
2
1
0
Fn03
Fn00
nr. of steps
Fn03
nr. of steps
(°C/°F/Bar/Psi)
Cooling (St02 = 1)
Heating (St02 = 0)
Neutral zone regulation: this occurs if bit1 of parameter ST04 equals 1 (this occurs for St04=2 and St04=3).
The operation depends on the parameter ST02: Cooling mode if St02=1 and Heating mode if St02=0.
If a condensation probe has not been allocated (in temperature or in pressure) the fans are On OFF controlled on
request by the compressor in cooling mode or in heating mode if Fn10=1 otherwise, if Fn10=0, the fan is always ON.
45

Related product manuals