EasyManua.ls Logo

Eliwell EWCM 4120 - Silence and Reset Alarms

Eliwell EWCM 4120
75 pages
Print Icon
To Next Page IconTo Next Page
To Next Page IconTo Next Page
To Previous Page IconTo Previous Page
To Previous Page IconTo Previous Page
Loading...
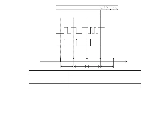
AL00/32 AL00/32 AL00/32 AL00/32
3=AL10210Counter
Time
Sampling
Events
Alarm
Manual
OFF
ON
1 event
1 event
1 event
0
1
AUTOMATIC
AUTOMATIC automatic reset
Manual manual reset
AL00/32 sampling time
Events no. of considered events. Event 3 = (AL10)
Silence and reset alarms
Alarm silencing consists of the forced deactivation of the output configured as an alarm and is performed by pressing
any key (in the presence of an alarm). Silencing has no effect on the alarm state, it only affects the signal itself; The
alarm LED, which is a fixed light in the presence of an alarm, becomes a flashing light when silenced. Alarm reset
consists of zeroing all pending manual reset alarms.
52

Related product manuals