EasyManua.ls Logo

Emec VMS MF - 24. STATISTICS Management; Accessing and Resetting Statistics

Emec VMS MF
60 pages
Print Icon
To Next Page IconTo Next Page
To Next Page IconTo Next Page
To Previous Page IconTo Previous Page
To Previous Page IconTo Previous Page
Loading...
43
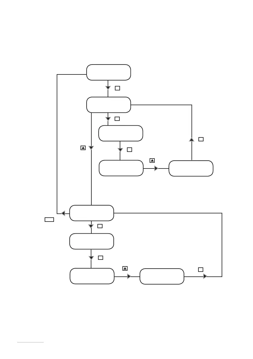
24. STATISTICS management
Stat.
To see dosing statistics choose “STAT” from main menu. See quick guide at pag. 21
“TOD DOS” means total dosed product since pump last reset.
“COUNTER” means strokes numbers since pump last reset.
prog [3]
stat
-> tot dos
counter
Key
E
litres
10
Key
E
Key
E
reset
no
Key
E
Key
pulse
5
Key
E
reset
no
reset
yes
Key
E
Key
Key
E
reset
yes
tot dos
-> counter
Key
Key
ESC