EasyManua.ls Logo

Emerson Copeland 2D - Charging procedure; Initial start-up

Emerson Copeland 2D
43 pages
Print Icon
To Next Page IconTo Next Page
To Next Page IconTo Next Page
To Previous Page IconTo Previous Page
To Previous Page IconTo Previous Page
Loading...
20 AGL_HA_ST_Discus_A2L_A1_EN_Rev00
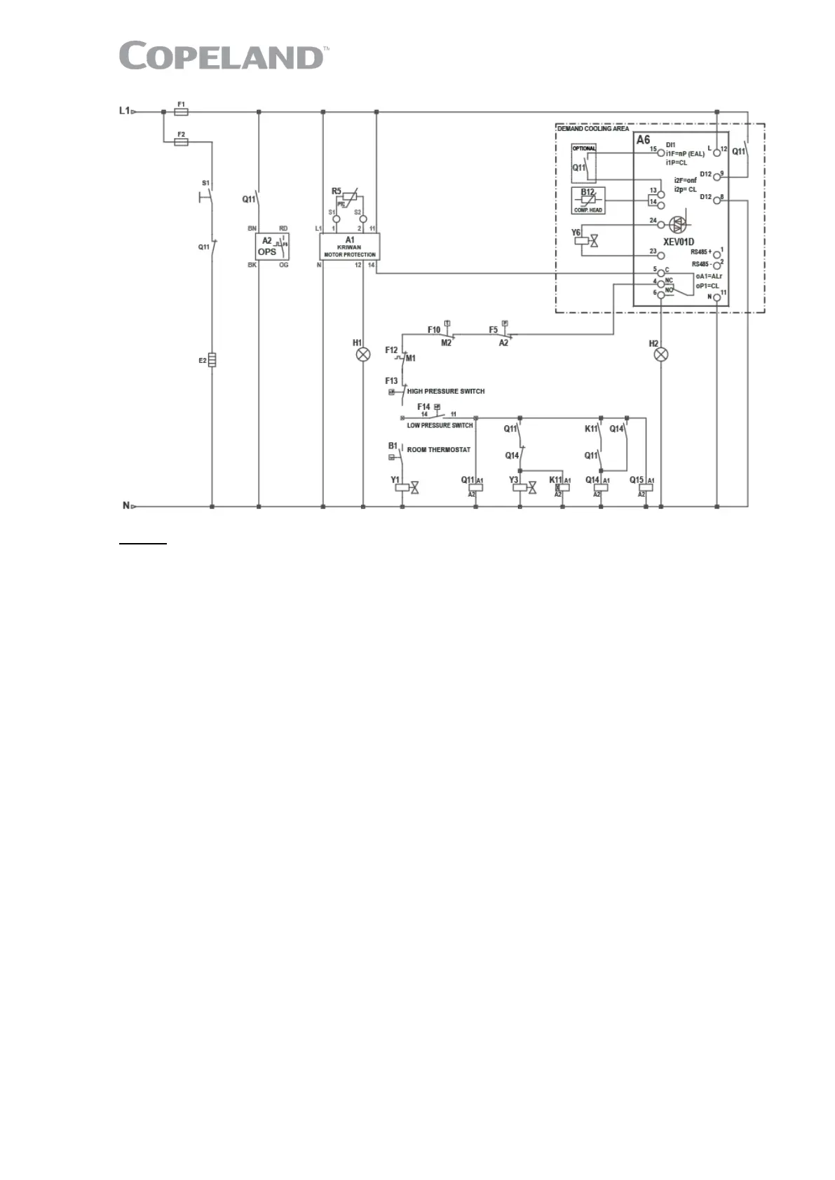
Legend
A1 ..... Kriwan motor protection A2 ..... Oil pressure switch
A6 ..... Demand Cooling driver / XEV01D B1 ..... Room thermostat
B12 ... Demand Cooling discharge temperature sensor
E2 ..... Crankcase heater F1 ...... Fuse for control circuit
F2 ..... Fuse for crankcase heater F5 ...... Fuse for oil pressure switch
F10 ... Fan motor thermal protection F12 .... Compressor overcurrent protection
F13 ... High-pressure safety switch F14 .... Low-pressure safety switch
H1 ..... Signal lamp / Kriwan module alarm H2 ..... Signal lamp / Demand Cooling driver
K11 ... Time relay - delay part-winding start M1 .... Compressor motor
M2 .... Additional fan motor N ....... Neutral
Q11 .. Contactor for first part-winding Q14 .... Contactor for second part-winding
Q15 .. Contactor for additional fan motor R5 ...... Contactor for additional fan motor
S1 ..... Auxiliary switch for crankcase heater R2 Y1 ...... Solenoid valve liquid line
Y3 ..... Solenoid valve for unloaded start Y6 ..... Demand Cooling injection valve
WH = White BK = Black OG = Orange RD = Red
Figure 24: Demand Cooling wiring diagram

Table of Contents

Related product manuals