EasyManua.ls Logo

Emerson Liebert NX - Multi Module UPS-1+N

Emerson Liebert NX
84 pages
Print Icon
To Next Page IconTo Next Page
To Next Page IconTo Next Page
To Previous Page IconTo Previous Page
To Previous Page IconTo Previous Page
Loading...
Installation Drawings
32
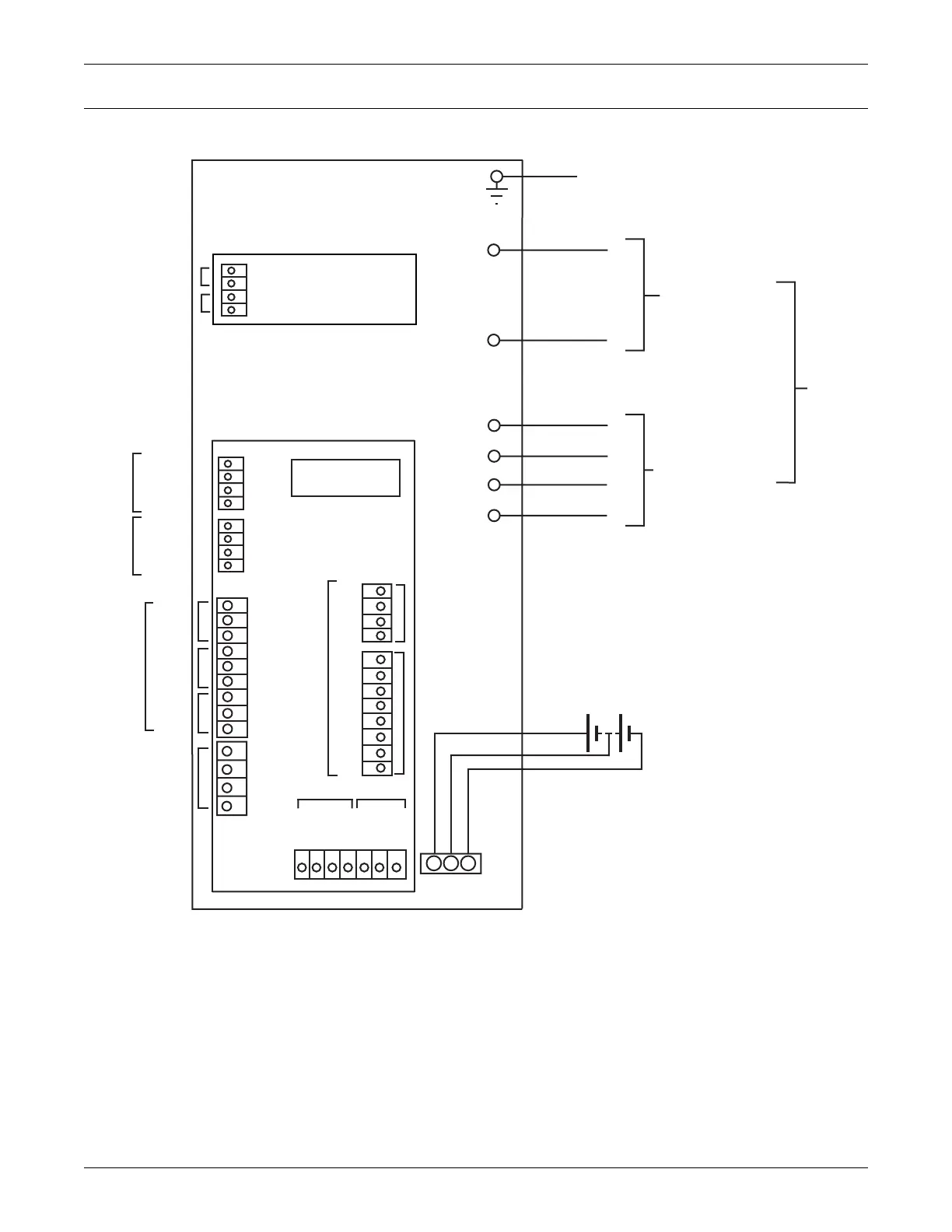
4.0 INSTALLATION DRAWINGS
Figure 21 Electrical connections
X5
X3
X4
X1
X2 Ext EPO
BCB
Monitor Board
Input
MBC
External Battery
Batt
UPS
Parallel Board
To Customer’s Safety
Earth
Earth
L
N
A
B
C
N
To Critical Load
Main/Bypass Input
Supply
Power
Cables
+
N
-
J28-1
J28-2
X3
X7
J25
J30
J26
J21
X3
J13
J4
Gen
BPS
AFC
RS-485
Modem-
SNMP
Ext. Maint.
Ext. Out
J28-3
J28-4
J10-1
J10-2
J10-4
J10-3
J22-2
J22-3
J22-4

Table of Contents

Other manuals for Emerson Liebert NX

Related product manuals