EasyManua.ls Logo

Emerson M400 - Page 9

Emerson M400
16 pages
Print Icon
To Next Page IconTo Next Page
To Next Page IconTo Next Page
To Previous Page IconTo Previous Page
To Previous Page IconTo Previous Page
Loading...
Document Part # 026-4176 Rev 1 Page 9 of 16
©2022 Emerson Digital Cold Chain, Inc. This document may be photocopied for personal use.
Visit our website at www.climate.emerson.com for the latest technical documentation and updates.
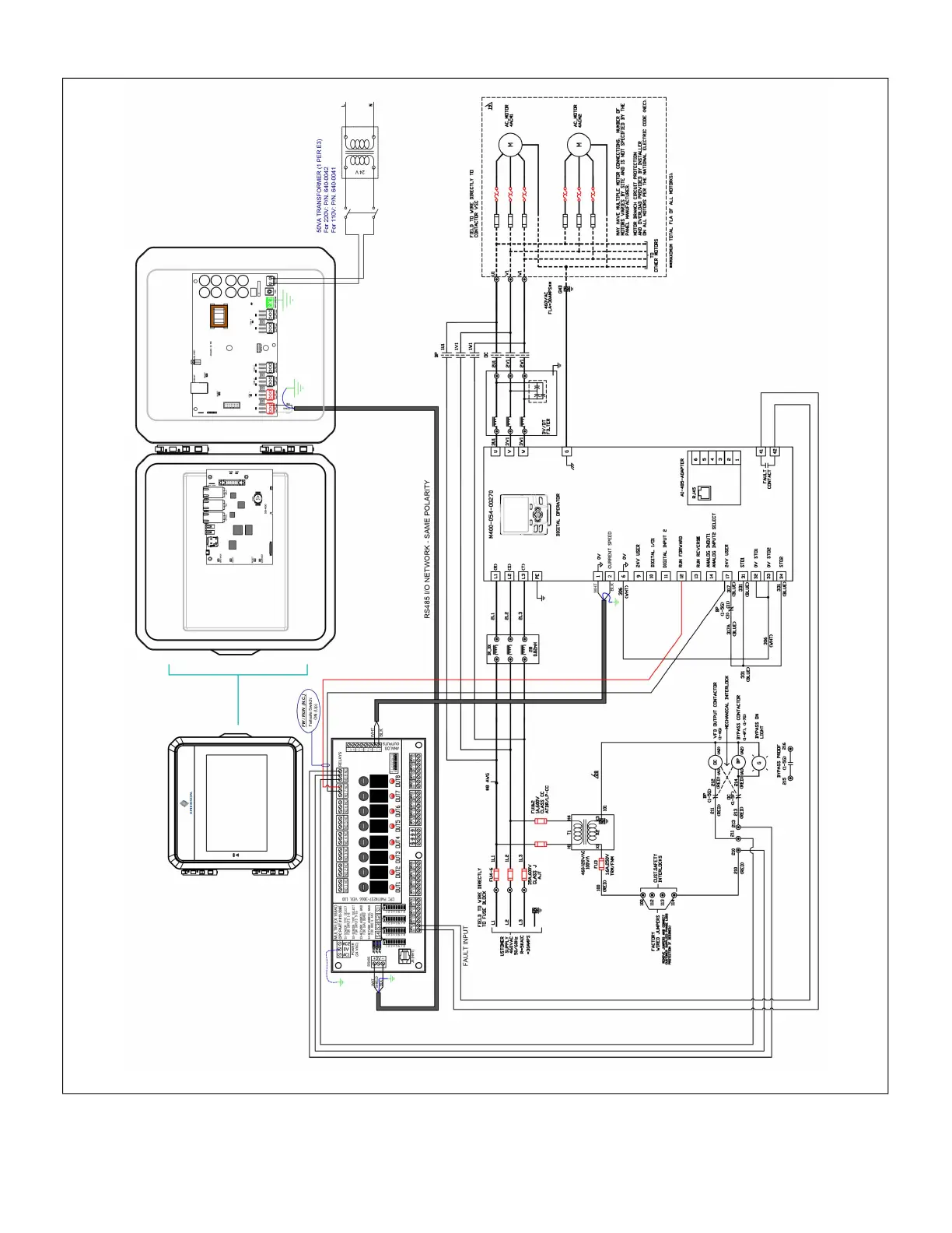
Figure 10 - Lumity E3 to M400 (ANALOG 0-10V)

Related product manuals