EasyManua.ls Logo

Emerson Rosemount 0065 - Barstock Thermowell Sensor Assembly

Emerson Rosemount 0065
16 pages
Print Icon
To Next Page IconTo Next Page
To Next Page IconTo Next Page
To Previous Page IconTo Previous Page
To Previous Page IconTo Previous Page
Loading...
Quick Start Guide
7
June 2016
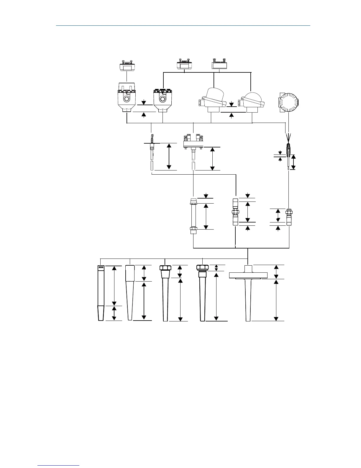
Barstock thermowell sensor assembly
Sensor with flying leads,
terminal block, or
spring-loaded adapter
Weld-in,
threaded or
flanged
barstock
thermowells
* The Rosemount 644 is available
with or without a LCD display.
Rosemount
3144
Stand-alone
extensions
Rosemount
248
Rosemount
644
Rosemount IP 68
or IP 65
connection heads
Rosemount 644 with
LCD display meter
40 mm
Head or field
mount transmitters
11 mm
L
11 mm
16 mm
N★★
11 mm
11 mm
60 mm★★★
U
U
U
60
mm
L
L
★★ N dimension measures from
thread engagement point.
★★★ This dimension is 80 mm for
Class 1500 and Class 2500
flanges.
N★★
N★★
25 mm
T
U
40 mm
U
60
mm

Related product manuals