EasyManua.ls Logo

Emerson Unidrive M101 - Page 46

Emerson Unidrive M101
46 pages
To Previous Page IconTo Previous Page
To Previous Page IconTo Previous Page
Loading...
0478-0035-06
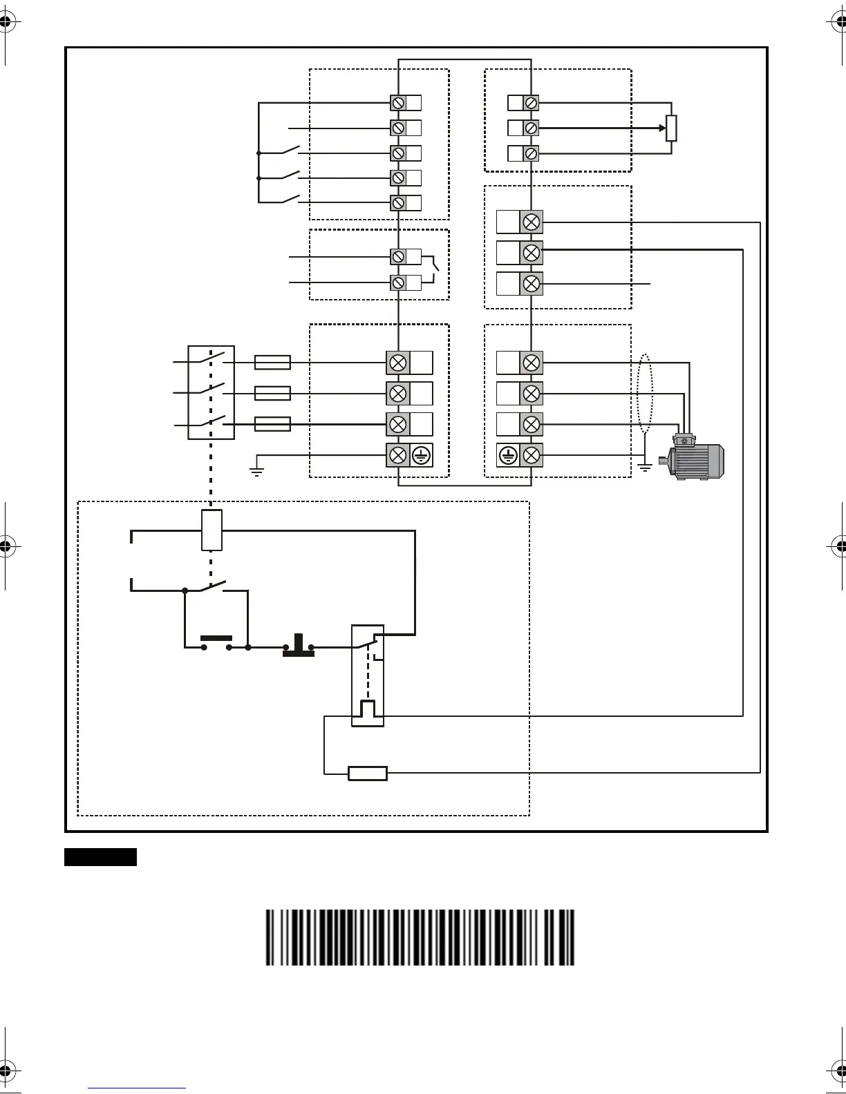
On the size 2 110 V drives or when connecting single phase to a dual rated 200 V unit, the supply
should be connected to L1 and L3.
9
10
11
12
Zero frequency
Run forward
13
Run reverse
Digital I/O
L1
L2
L3
1 ph/3 ph
AC power
supply
1
2
4
0 V
Analog I/O
Analog input 1
10 V user
U
BR
+
_
V
W
AC supply
DC bus/Brake
Motor
Frequency
reference
41
42
Drive ok
Relay
Drive enable
Digital Input 2
24 V user
Digital I/O1
Digital input 3
Digital input 4
Stop
Start
/
Reset
Thermal
protection
device
Braking resistor
Main contactor
power supply
Optional
NOTE
Unidrive M100 101 Quick Start Guide English Iss6.book Page 46 Wednesday, September 9, 2015 4:07 PM

Other manuals for Emerson Unidrive M101

Related product manuals