EasyManua.ls Logo

ENCON Therma-Flow PLUS - Page 32

ENCON Therma-Flow PLUS
56 pages
Print Icon
To Next Page IconTo Next Page
To Next Page IconTo Next Page
To Previous Page IconTo Previous Page
To Previous Page IconTo Previous Page
Loading...
4 MAINTENANCE AND REPAIR
4-13
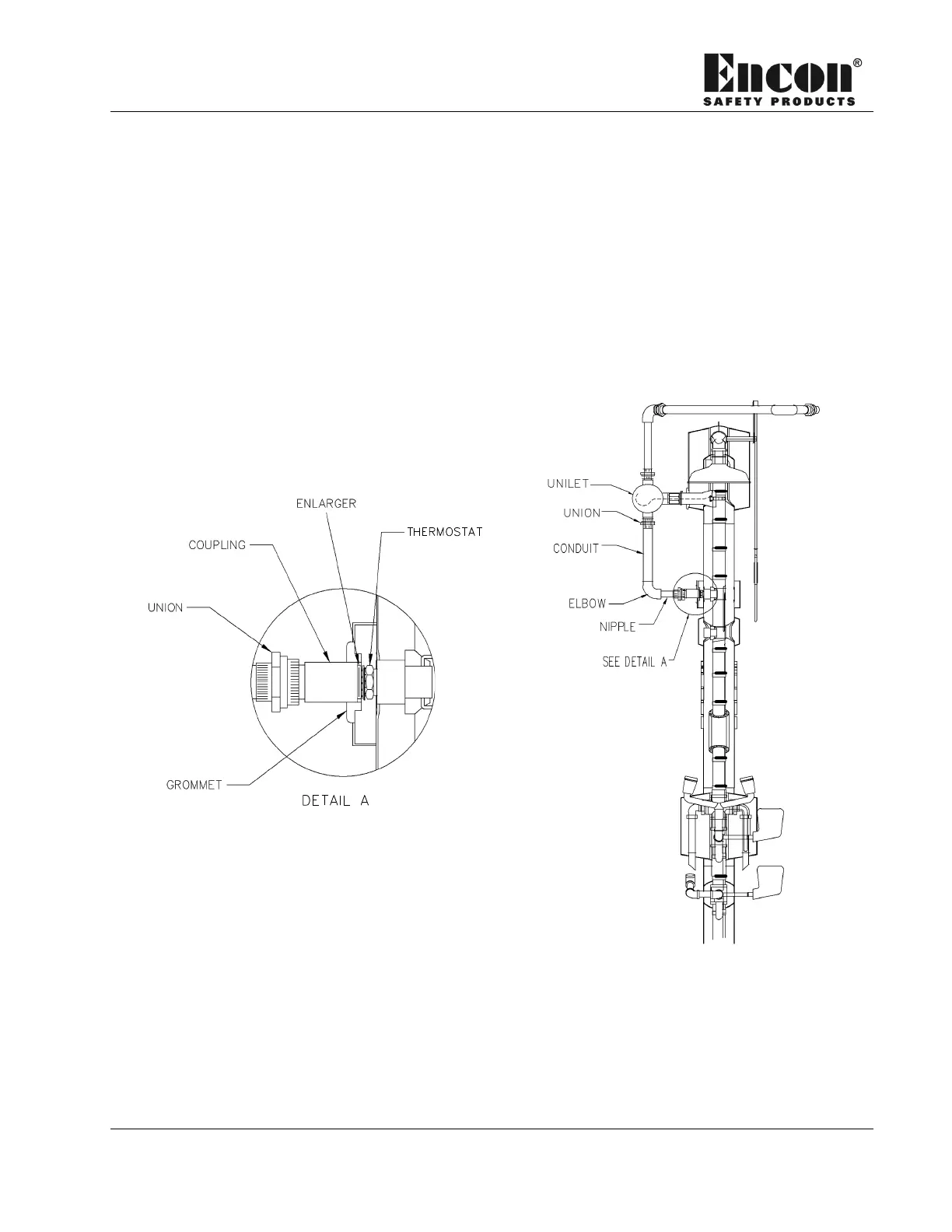
4.8 Heat Trace Cable Thermostat (if applicable)
The thermostat (see Figure 4-6) opens or closes the circuit to energize or de-
energize the optional heat trace cable. When the internal water temperature falls
below 45°F (7.2°C), the thermostat closes the circuit to apply power to the heat trace
cable.
If you find the water output is not between the 55°F (12.7°C) and 65°F (18.3°C)
temperature range, the thermostat may need to be replaced. You need a continuity
tester for the following procedure.
You need a continuity tester and a cold and hot water supply for the following
quick test. If a warm or cold water supply is not available, remove and test the
thermostat in the subsequent procedure.
Figure
4-6.
Thermostat
Assembly
To perform a quick test on the thermostat:
1. Switch off the electrical power supply to the Therma-Flow
®
Plus.
2. Use a continuity tester at the thermostat connections in the junction box (see
Figure 2-4 Electrical Schematic on page 2-7).