EasyManua.ls Logo

Encore RAGE ER48FX730VX - Wiring Schematics

Encore RAGE ER48FX730VX
40 pages
Print Icon
To Next Page IconTo Next Page
To Next Page IconTo Next Page
To Previous Page IconTo Previous Page
To Previous Page IconTo Previous Page
Loading...
35
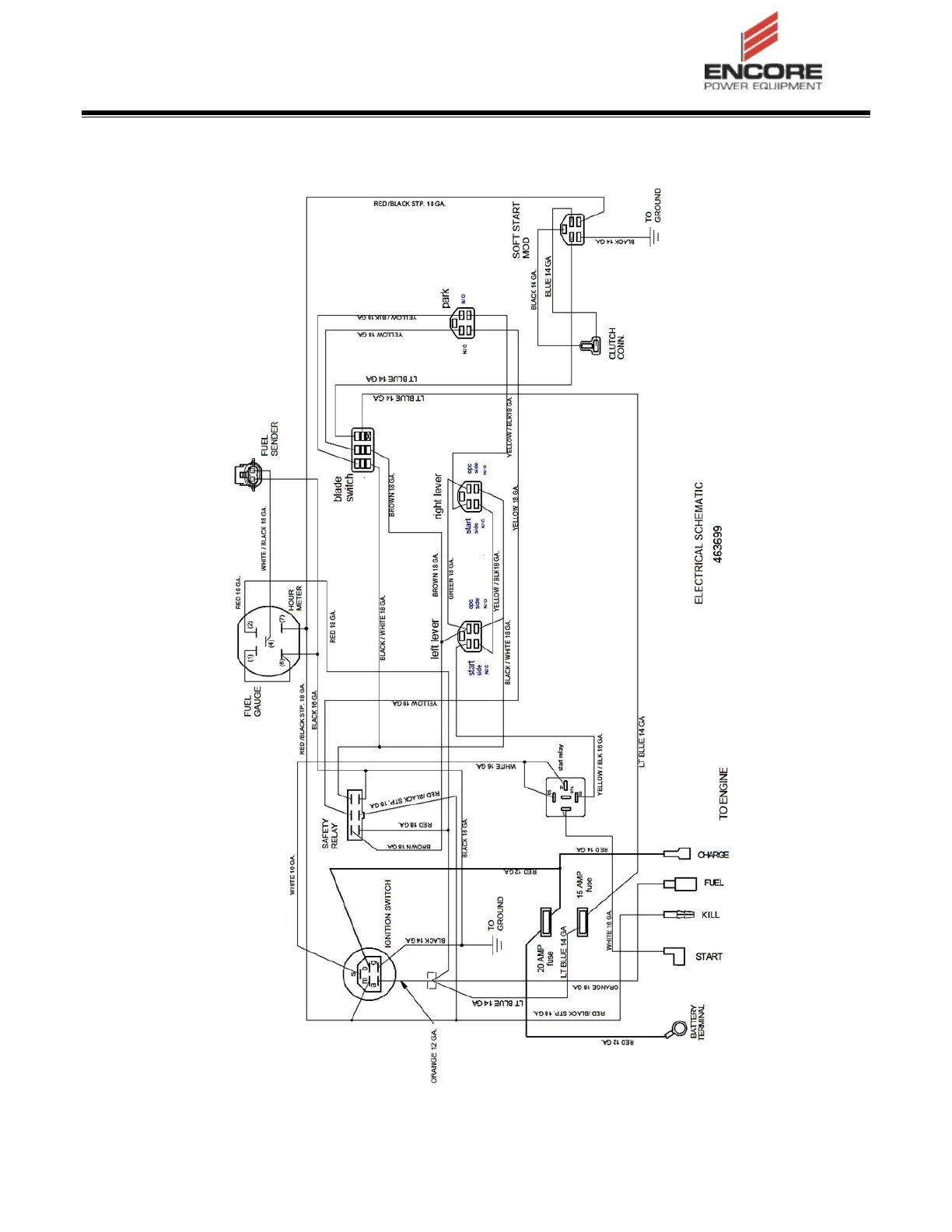
WIRING SCHEMATICS

Table of Contents

Related product manuals