EasyManua.ls Logo

Endless Pools Swim Spa - WIRING DIAGRAM: EP-1 CONTROLLER WITH SWIM SPA

Endless Pools Swim Spa
16 pages
Print Icon
To Next Page IconTo Next Page
To Next Page IconTo Next Page
To Previous Page IconTo Previous Page
To Previous Page IconTo Previous Page
Loading...
13
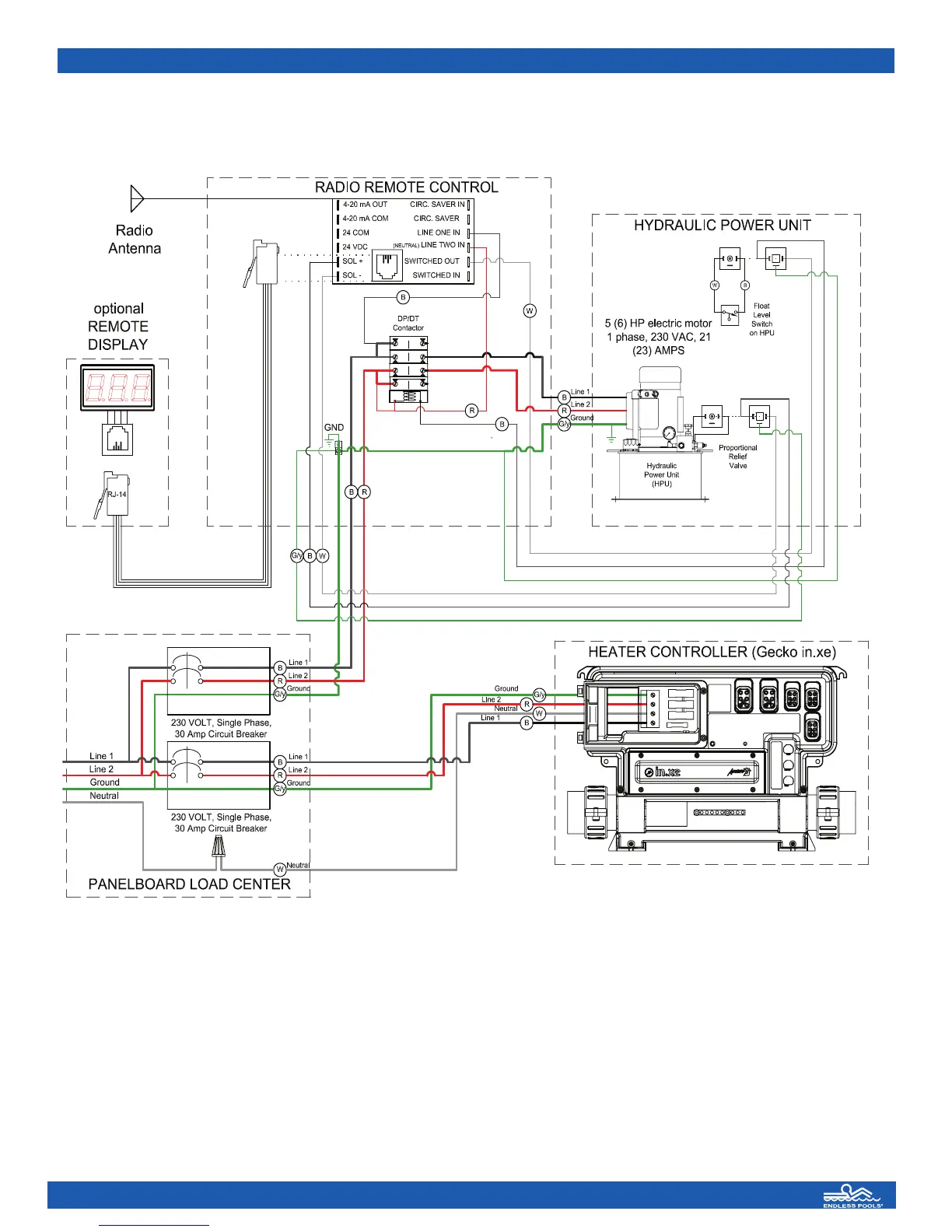
WIRING DIAGRAM: EP-1 CONTROLLER WITH SWIM SPA
Line in on 60 amp Ground Fault Circuit Breaker
SS Assembly 5-09 5/28/09 8:20 AM Page 15

Related product manuals