EasyManua.ls Logo

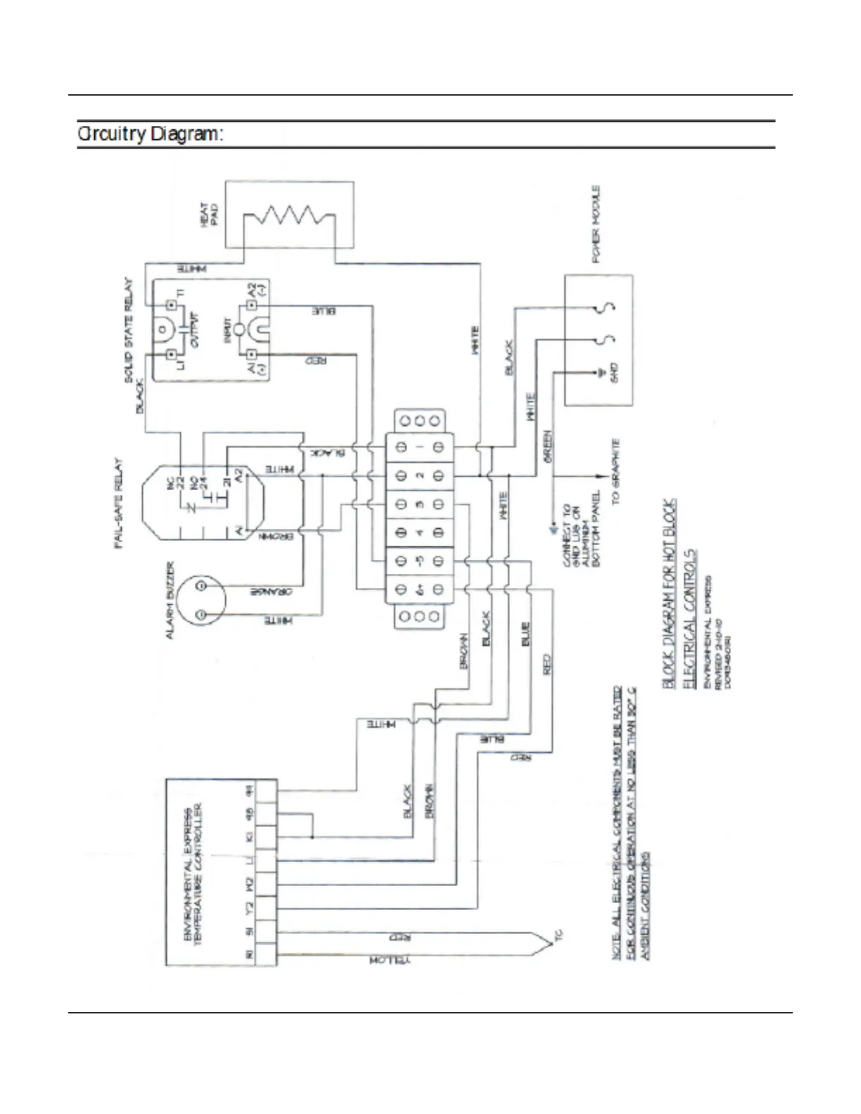
Environmental Express SimpleDist - Circuitry Diagram

Environmental Express SimpleDist
22 pages
Print Icon
To Next Page IconTo Next Page
To Next Page IconTo Next Page
To Previous Page IconTo Previous Page
To Previous Page IconTo Previous Page
Loading...
+1.800.343.5319 or +1.843.881.6560 envexp.com Environmental Express • 16
SimpleDist® Micro Heating Block: Operation & Instruction Manual Circuitry Diagram