EasyManua.ls Logo

Epson M-192G - Page 10

Epson M-192G
12 pages
Print Icon
To Next Page IconTo Next Page
To Next Page IconTo Next Page
To Previous Page IconTo Previous Page
To Previous Page IconTo Previous Page
Loading...
Confidential
EPSON
TITLE
SHEET
REVISION
NO.
SHEETNEXT
C
M-192G
Designer’s Guide
(STANDARD)
6 5
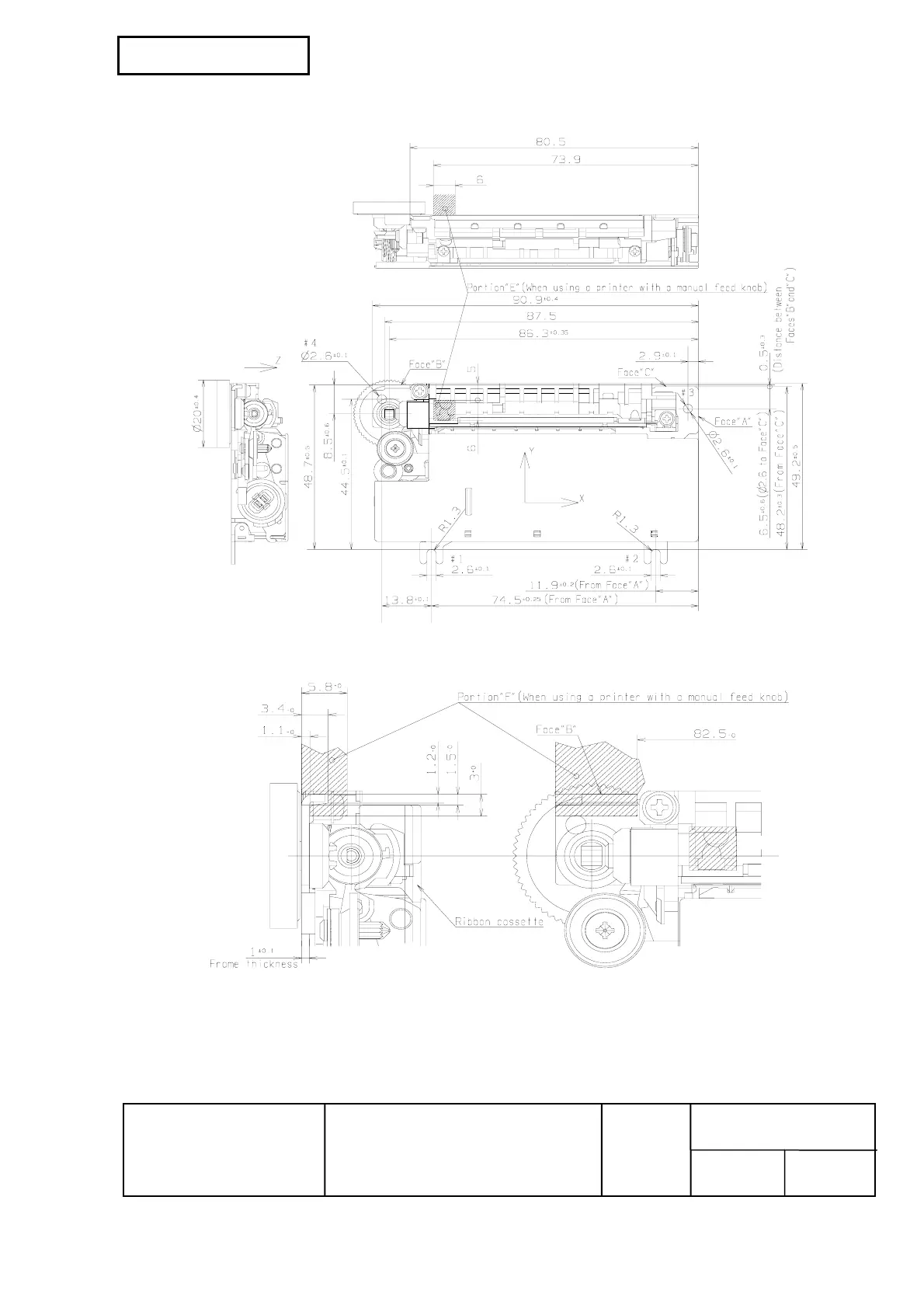
Figure 2.2.1
Figure 2.2.2