EasyManua.ls Logo

Epson M-192G - Motor Driver Circuit, Print Solenoid Drive Circuit, & Fast Paper Feed Trigger Solenoid Drive Circuit (Epson Evaluation Circuit)

Epson M-192G
12 pages
Print Icon
To Next Page IconTo Next Page
To Next Page IconTo Next Page
To Previous Page IconTo Previous Page
To Previous Page IconTo Previous Page
Loading...
Confidential
EPSON
TITLE
SHEET
REVISION
NO.
SHEETNEXT
C
M-192G
Designer’s Guide
(STANDARD)
3 2
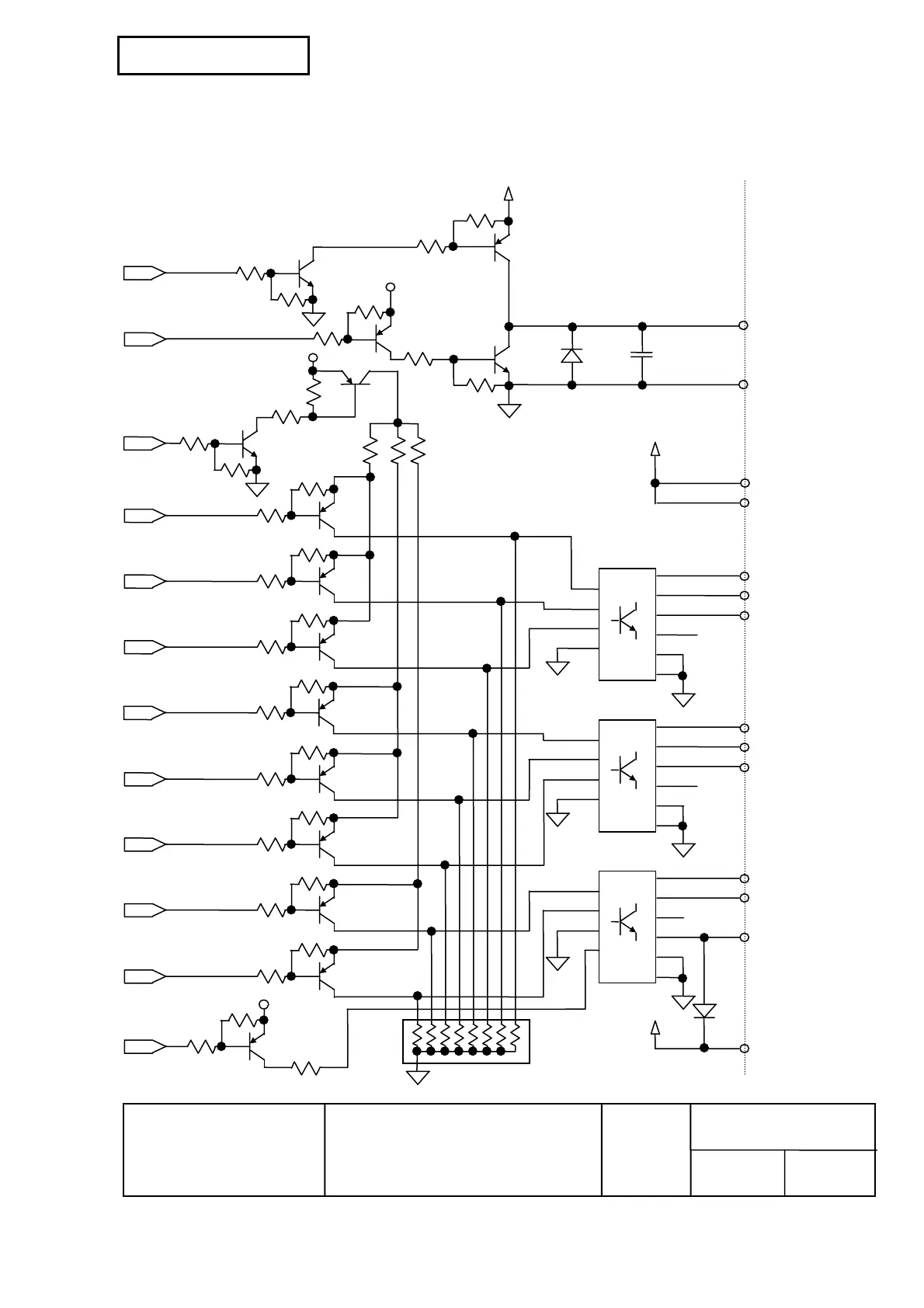
1.2 Motor Driver Circuit, Print Solenoid Drive Circuit,
& Fast Paper Feed Trigger Solenoid Drive Circuit (Epson Evaluation Circuit)
Motor (+)
Motor (-)
Common for print
solenoids
Common for print
solenoids
Print solenoid (A)
Print solenoid (B)
Print solenoid (C)
Print solenoid (E)
Print solenoid (D)
Print solenoid (F)
Print solenoid(G)
Print solenoid (H)
Fast paper
feed trigger
solenoid
Fast paper
feed trigger
solenoid
MOTOR ON
nMOTOR
POWER ON
nHEAD A
nHEAD B
nHEAD C
nHEAD D
nHEAD E
nHEAD F
nHEAD G
nHEAD H
n TRG ON
VP
2.7K
2SB1261
100
VCC
DTC143
6
DTA143
2SA1020
0.1uF
1SS270A
2SD1899
100
VCC
7
1K
2.7K
470
VP
DTC143
150150150
15
16
DTA143
17
DTA143
8
9
DTA143
STA413
10
DTA143
11
12
DTA143
STA413
DTA143
5
3
2
13
7
4
14
DTA143
9
6
1
8
2
10
DTA143
STA413
VCC
1SS270A
VP
1
820
DTA143
[Printer side]
[Designer’s side]
100
5
3
2
7
4
9
6
1
8
10
5
3
2
7
4
9
6
1
8
10