EasyManua.ls Logo

Epson M-192G - Reference for Circuit Design; Waveform Shaping Circuit for Timing Sensor and Reset Detector (Epson Evaluation Circuit)

Epson M-192G
12 pages
Print Icon
To Next Page IconTo Next Page
To Next Page IconTo Next Page
To Previous Page IconTo Previous Page
To Previous Page IconTo Previous Page
Loading...
Confidential
EPSON
TITLE
SHEET
REVISION
NO.
SHEETNEXT
C
M-192G
Designer’s Guide
(STANDARD)
2 1
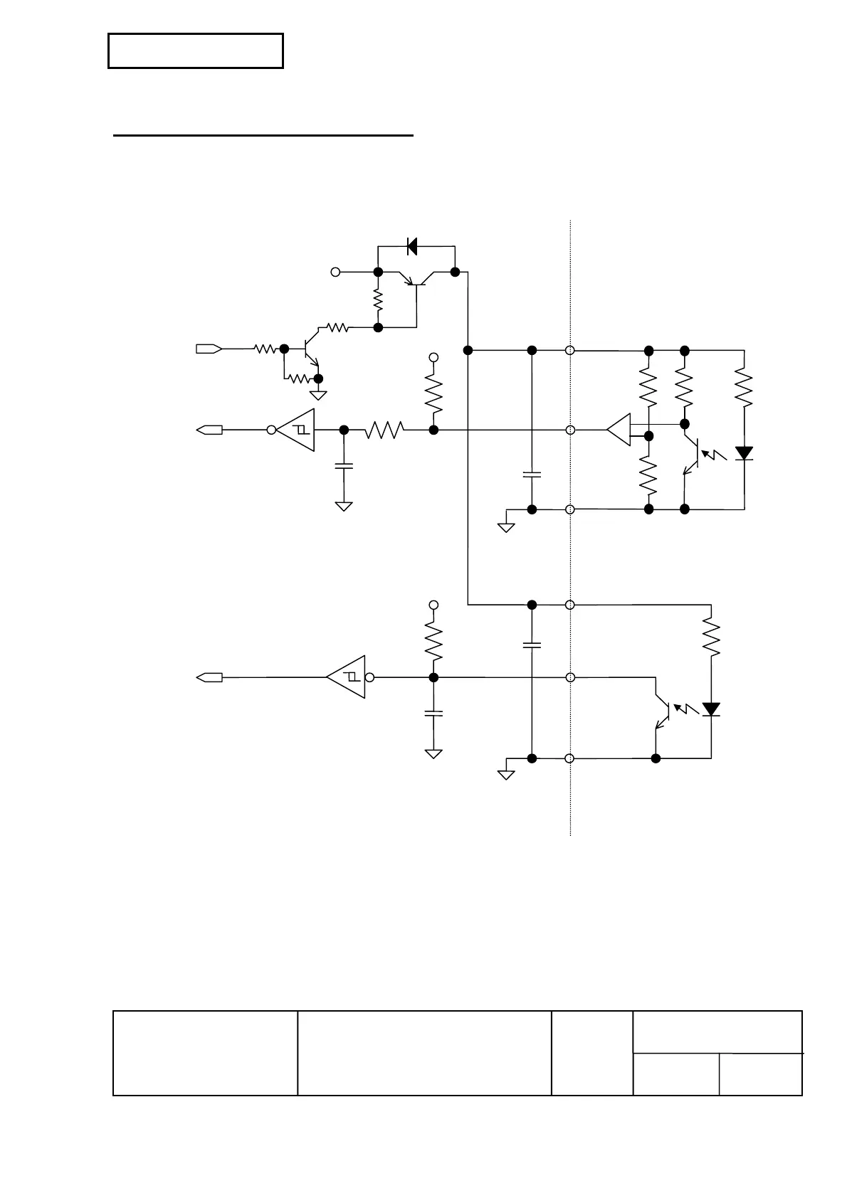
1 Reference for Circuit Design
1.1 Waveform Shaping Circuit for Timing Sensor and Reset Detector
(Epson Evaluation Circuit)
[User Side] [Printer Side]
Timing Sensor
Reset detector
74HC14
1000pF
VCC-O
VCC-O
DTC143
1SS118
2SA1015
-Tp
nTP
470
VCC
VCC
0.1uF
2.7K
1K
1
10K
2
0.1uF
74HC14
1000pF
Rp
RP
VCC
51K
34
20
18
19
5
4
3
+

Related product manuals