EasyManua.ls Logo

Ericsson BDV BS 101 01 - Page 202

Ericsson BDV BS 101 01
225 pages
Print Icon
To Next Page IconTo Next Page
To Next Page IconTo Next Page
To Previous Page IconTo Previous Page
To Previous Page IconTo Previous Page
Loading...
4(11)
Datum -
Date
Rev
Nr -
No.
Uppgjord (även faktaansvarig om annan) -
Prepared
(also subject responsible if other)
Dokansv/Godkänd -
Doc respons/Approved
Kontr -
Checked
File
1998-04-20 B
1531- DBC 211 01 Uen
INSTALLATION INSTRUCTIONS
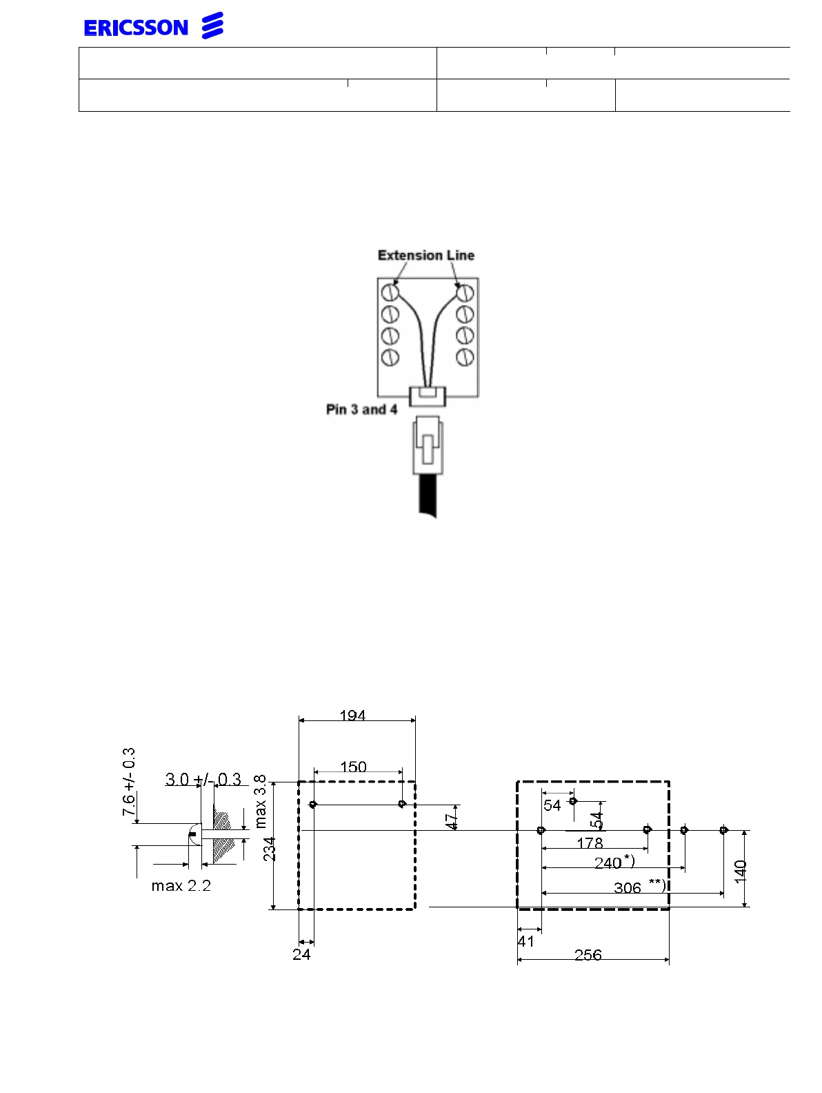
7.3 Connection to the extension line
The line cord shall be connected in one end to the wall box according to fig 7-1 and the other end
to the connector in the bottom of the set marked LINE.
Connection of extension line
7.4 Wall mounting
Mount the two/three screws on the wall according to fig 7-2.
Snap off and turn the hook around according to fig 7-3.
If the adjustable foot consoles are mounted they must be removed.
Mount the telephone on the screws.
(All distances in mm)
Positions for screws DBC 211 01/ DBC 212 01 DBC 213 01
*) For DBY 409 No. 1
**) For DBY 409 No. 2

Table of Contents