EasyManua.ls Logo

ESAB A2 Multitrac - Automatic Welding Equipment A2 TF J1; A2 TF J1 Twin

ESAB A2 Multitrac
60 pages
Print Icon
To Next Page IconTo Next Page
To Next Page IconTo Next Page
To Previous Page IconTo Previous Page
To Previous Page IconTo Previous Page
Loading...
3 INSTALLATION
0449 165 160
- 14 -
© ESAB AB 2020
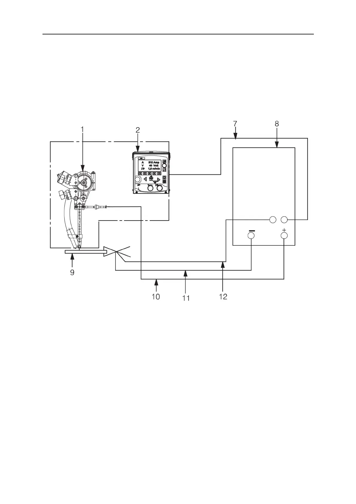
3.7.2 Automatic welding equipment A2TFJ1/A2TFJ1Twin (Submerged Arc
Welding, SAW)
1. Connect the control cable (7) between the power source (8) and the PEK (2).
2. Connect the return cable (11) between the power source (8) and work piece (9).
3. Connect the welding cable (10) between the power source (8) and the automatic
welding equipment (1).
4. Connect the measurement cable (12) between the power source (8) and workpiece
(9).
1. Automatic welding equipment 5. Control cable
2. PEK 6. Return cable
3. Power source 7. Welding cable
4. Work piece 8. Measurement cable

Table of Contents

Other manuals for ESAB A2 Multitrac

Related product manuals