EasyManua.ls Logo

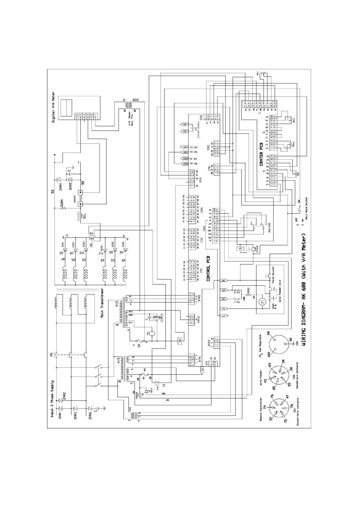
ESAB AUTO K 600 - WIRING DIAGRAM - AK 600

ESAB AUTO K 600
23 pages
Print Icon
To Next Page IconTo Next Page
To Next Page IconTo Next Page
To Previous Page IconTo Previous Page
To Previous Page IconTo Previous Page
Loading...
WIRING DIAGRAM - AK 600
16

Related product manuals