EasyManua.ls Logo

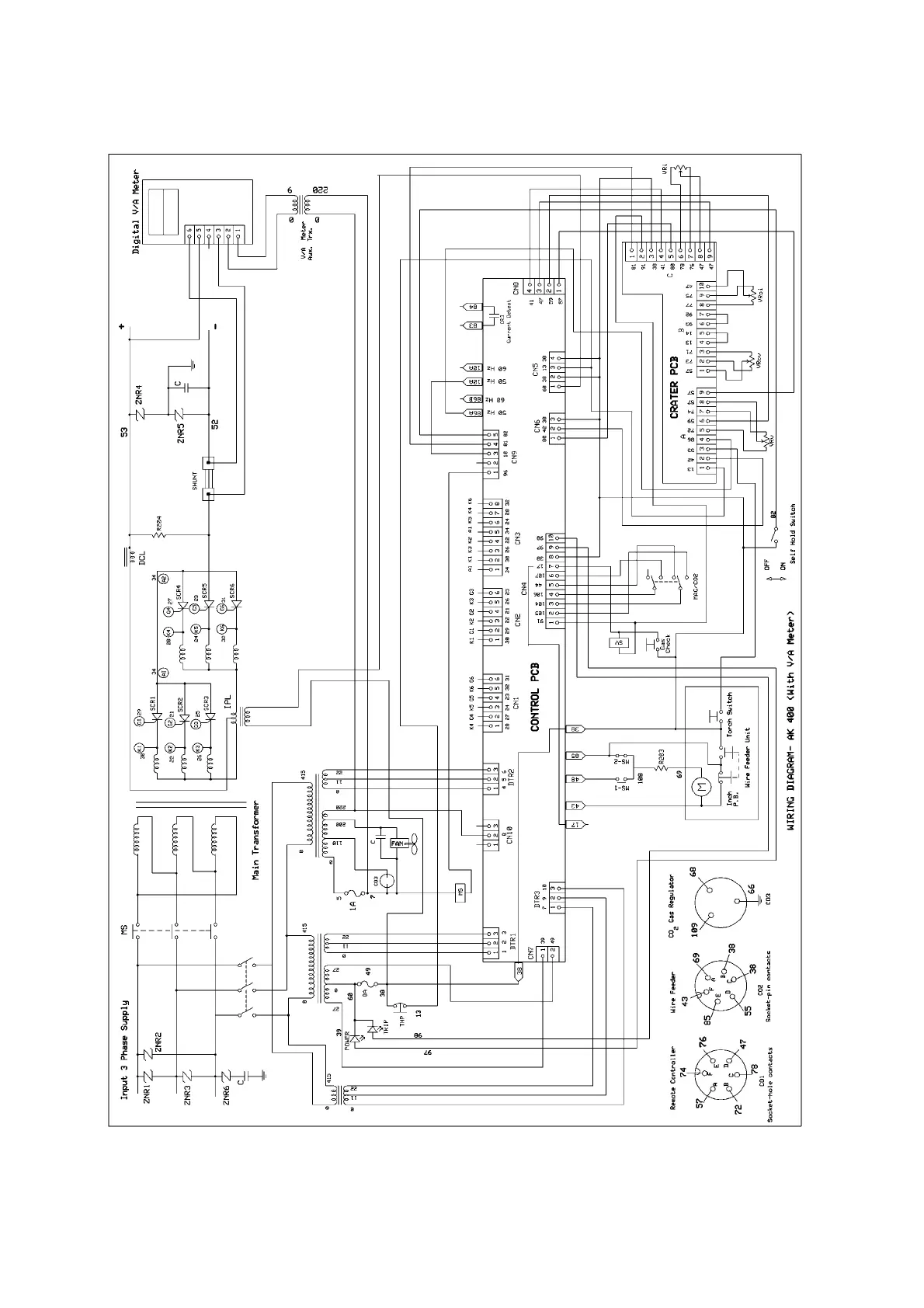
ESAB AUTO K 600 - WIRING DIAGRAM - AK 400

ESAB AUTO K 600
23 pages
Print Icon
To Next Page IconTo Next Page
To Next Page IconTo Next Page
To Previous Page IconTo Previous Page
To Previous Page IconTo Previous Page
Loading...
WIRING DIAGRAM - AK 400
15

Related product manuals