EasyManua.ls Logo

ESAB EMP 255ic - Diagram

ESAB EMP 255ic
60 pages
Print Icon
To Next Page IconTo Next Page
To Next Page IconTo Next Page
To Previous Page IconTo Previous Page
To Previous Page IconTo Previous Page
Loading...
DIAGRAM
0463 605 001
- 52 -
© ESAB AB 2018
DIAGRAM
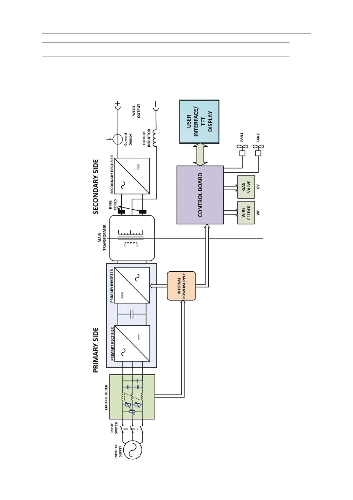
Functional Block Diagram
Functional Diagram of Power Circuit

Table of Contents

Other manuals for ESAB EMP 255ic

Related product manuals