EasyManua.ls Logo

ESAB ESP-400C - Page 59

ESAB ESP-400C
120 pages
Print Icon
To Next Page IconTo Next Page
To Next Page IconTo Next Page
To Previous Page IconTo Previous Page
To Previous Page IconTo Previous Page
Loading...
SECTION 6 Troubleshooting
ESP 400C and 600C Plasma Power Sources
6-21
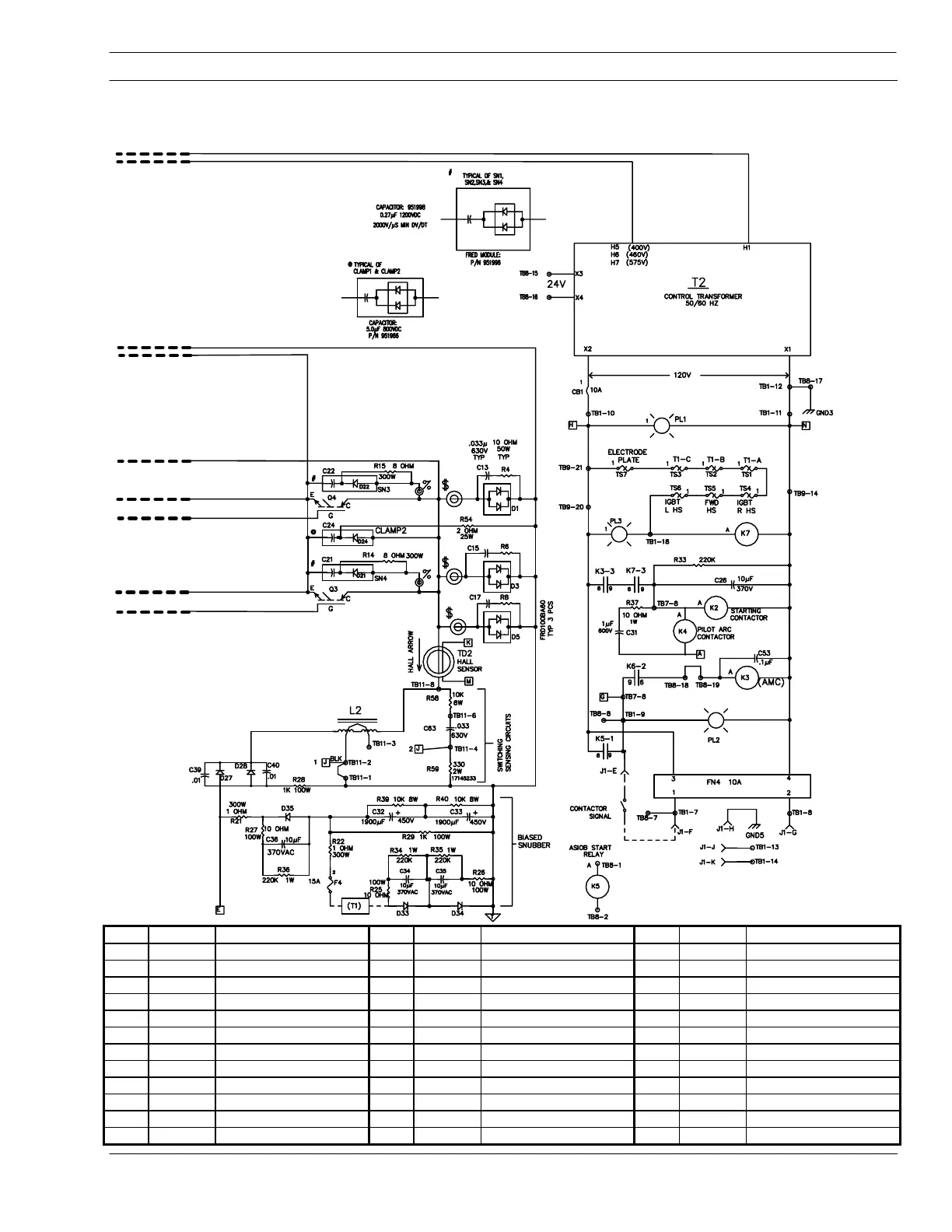
Schematic Diagram - Drawing 1 – Part2
1b
2b
3b
4b
5b
6b
7b
8b
9b
2 C18 Capacitor .033uf 630v 2 C41-43,44 Capacitor .01uf 125vdc 3 R44 Resistor 10k 8w
2 R4,6,8,9 Resistor 10ohm 50w 2 D29,30 Rectifier silicone reverse 85A 3 C30 Capacitor 60uf 370v
2 D1,3,5,6 Module diode dual 100A 600V 2 D31,32 Rectifier silicone forward 85A 3 C39,40 Capacitor .01uf 125vdc
2 D21,22,24 Module dual diode rectifier 630V 2 F3 Fuse slo-blo 15A 600v 3 D27,28 Diode rect reverse 800v 300A
2 R14,15 Resistor 8ohm 300w 2 F6 Fuse n-t delay 15A 3 D33,35 Rectifier silicone reverse 85A
2 L1,2 Inductor Assy 2 R23 Resistor 1 ohm 300w 3 D34 Rectifier silicone forward 85A
2 D25,26 Resistor 10ohm 300w 2 R24 Resistor 8 ohm 300w 3 R25,26 Resistor 10 ohm
2 C37,38 Capacitor .01uf 125vdc 2 FN1,FN2 Filter PC board 3 R39,40 Resistor 10k 8w
2 R30 Resistor 1k 100w 3 PCB4 PC board digital meter 3 R34,35,36 Resistor 220k 1w
2 R16,17 Resistor 8ohm 300w 3 SH1 Shunt 100mV 800A 3 R29 Resistor 1k 100w
2 S1 Switch toggle 3pst 2 pos 3 R31 Resistor 1k 100w 3 R21,22 Resistor 10ohm 300w
2 R41-43 Resistor 10k 8w 3 R18,19,20 Resistor 4 ohm 300w 3 R27 Resistor 10ohm 300w
2 C27,28,29 Capacitor 2900uf 450w 3 R38 Resistor 220k 1w

Table of Contents

Related product manuals