EasyManua.ls Logo

ESAB ESP-400C - Page 61

ESAB ESP-400C
120 pages
Print Icon
To Next Page IconTo Next Page
To Next Page IconTo Next Page
To Previous Page IconTo Previous Page
To Previous Page IconTo Previous Page
Loading...
SECTION 6 Troubleshooting
ESP 400C and 600C Plasma Power Sources
6-23
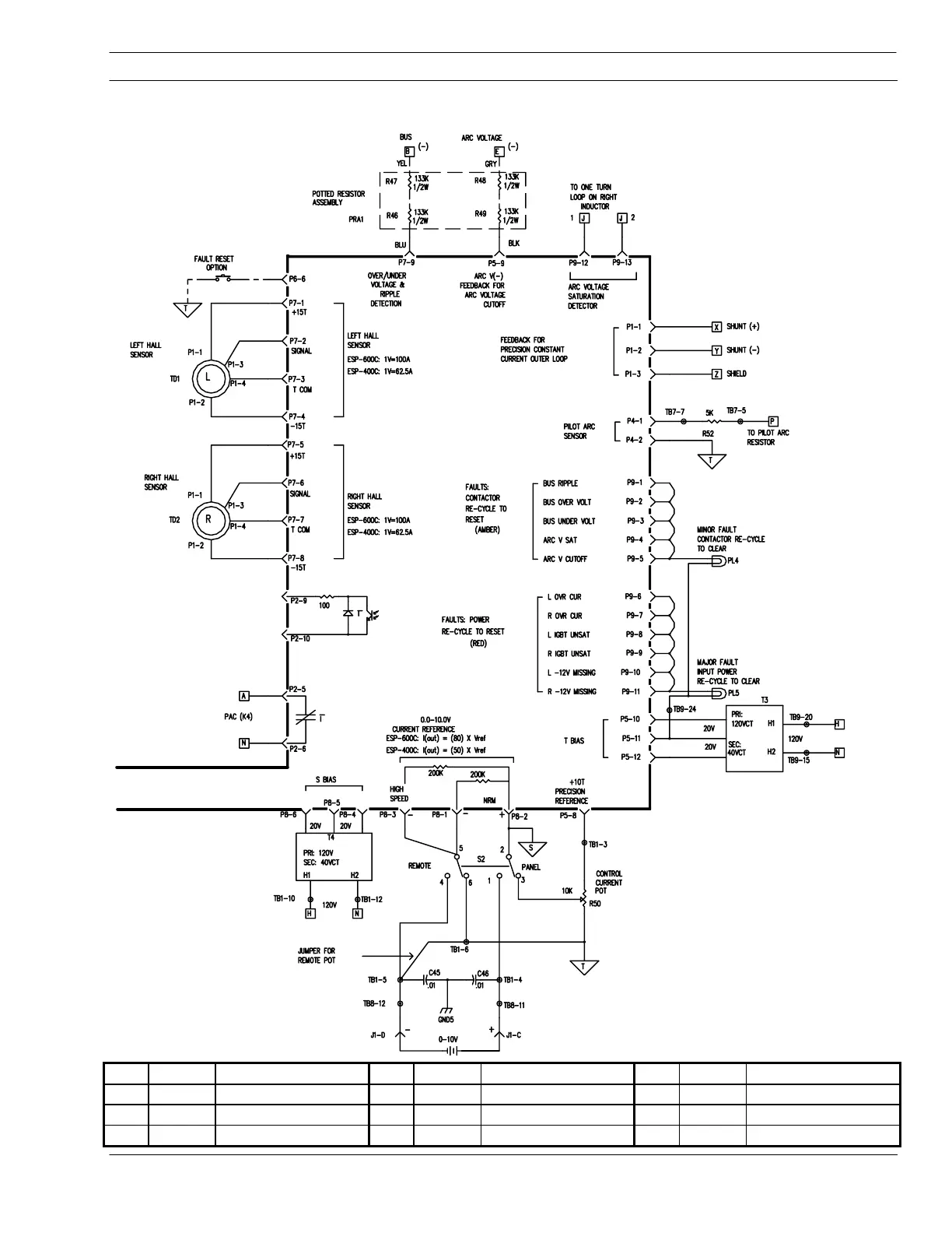
Schematic Diagram - Drawing 2 – Part2
LOC SYM DESCRIPTION LOC SYM DESCRIPTION LOC SYM DESCRIPTION
4 T3,4 XMFR 117/12/12/24ct 5 C45,46 Capacitor .01uf 125vdc 5 S3 Switch toggle DPDT 3 pos
5 R50 Pot 15k 2w 5 R45 Resistor 10k 8w 5%
5 S2 Switch toggle DPDT 2 pos 5 FN3 Filter EMI

Table of Contents

Related product manuals