EasyManua.ls Logo

ESAB ESP-400C - Page 76

ESAB ESP-400C
120 pages
Print Icon
To Next Page IconTo Next Page
To Next Page IconTo Next Page
To Previous Page IconTo Previous Page
To Previous Page IconTo Previous Page
Loading...
SECTION 6 Troubleshooting
ESP 400C and 600C Plasma Power Sources
6-38
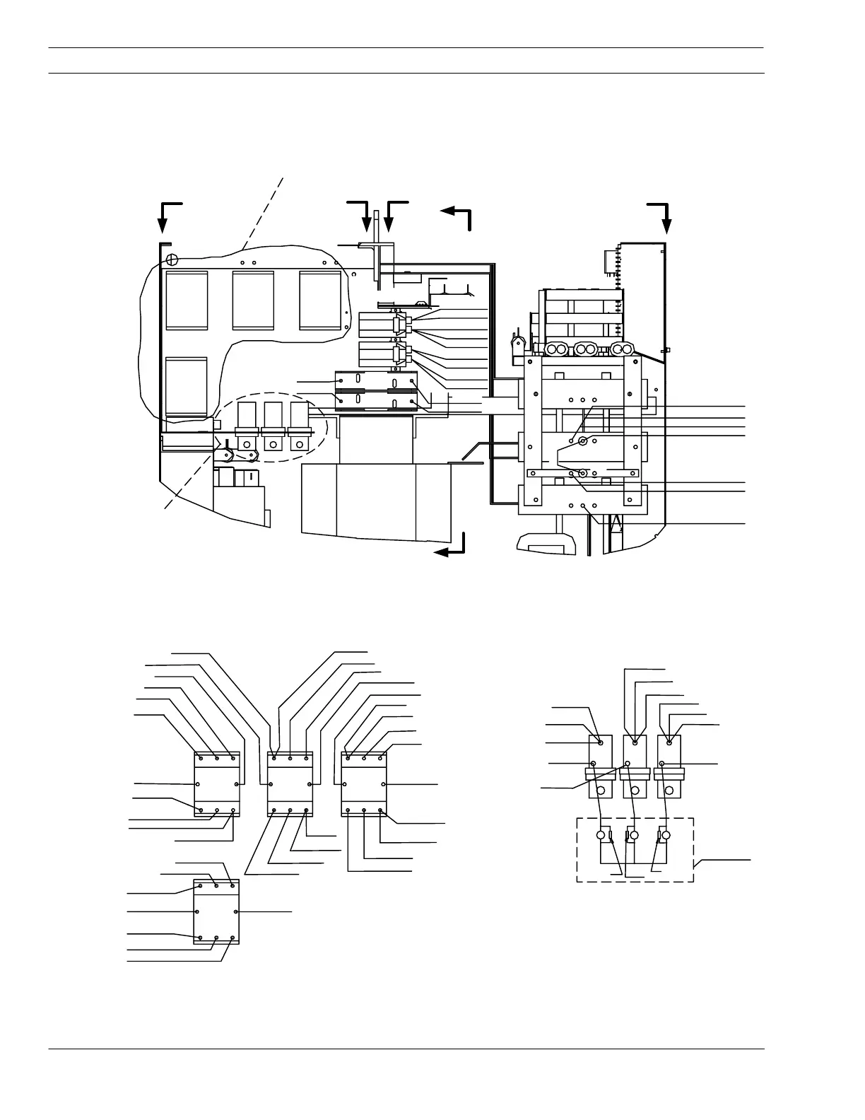
6.7 Wiring Diagrams – Drawing 2 – Part 1 400V 50H
z
(P/N 35879)
T1-BH2/CH1 BLK
C61
C62
C60
R57
R56
R55
F1-2 GRY
R1-1 BLU
K1A-L1 BLK
F2-2 GRN
K1A-L2 BLK
K1A-L3 BLK
K1C-L3 BLK
K1C-L2 BLK
K1C-L1 BLK
K1B-L3 BLK
K1B-L2 BLK
K1B-L1 BLK
TB4 TB5
TB6
VIEW L-L
400V 50HZ
UNITS ONLY
K1C-T3 RED
K1B-T3 WHT
K1A-T3 BLK
C26-1 ORN
R1-2 BLK
R2-2 WHT
R3-2 RED
C26-2 WHT
K2-T1 BLK
T1-AH1 BLK
T1-AH1 BLK
T1-AH1 BLK
K1B-A ORN
T1-AH2/BH1 BLK
T1-AH2/BH1 BLK
T1-AH2/BH1 BLK
K2-T2 WHT
T1-BH2/CH1 BLK
T1-BH2/CH1 BLK
K2-T3 RED
K1-B/C25-2 GRY
TB6 BLK
TB6 BLK
TB6 BLK
T2-H6 BLK
K1B-A/C25-1 ORN
K1A-B/K1C-B GRY
TB5 BLK
TB5 BLK
TB5 BLK
T2-H1 YEL
K1A-A/K1C-A ORN
K1B-B GRY
TB4 BLK
TB4 BLK
TB4 BLK
L1 L2 L3L1 L2 L3L1 L2 L3
T1 T2 T3T1 T2 T3T1 T2 T3
A K1A B
A K1B B
A K1C B
R28-2 YEL
R25-2 GRY
T1-CX7 GRY
C34-2 BLK
R26-2 RED
C33(+) RED
S1-4 RED
ELECTRODE PLATE
POS PLATE
NEG PLATE
BLK
D33
D34
TB6 BRN
TB5 GRY
K3-7 ORN
K1C-A ORN
K7-7 GRY
K1C-B GRY
K2-A ORN
K4-B ORN
K7-9 ORN
TB1-11 WHT
K2-B WHT
F1
F2
R2-1 VIO
R3-1 ORN
C25
C26
R32 R33
1
2
1
2
K1A
K1B
K1C
K2
SEE VIEW K-K
TB4
TB5
TB6
SEE VIEW L-L
VIEW K-K
F
F
E
E
D
D
SECTION C-C
A K2 B
L1 L2 L3
T1 T2 T3
Note: From ESP-400C/600C//400V,50 Hz
Drawing No. 0558002859, sheet 2 of 5
OR

Table of Contents

Related product manuals